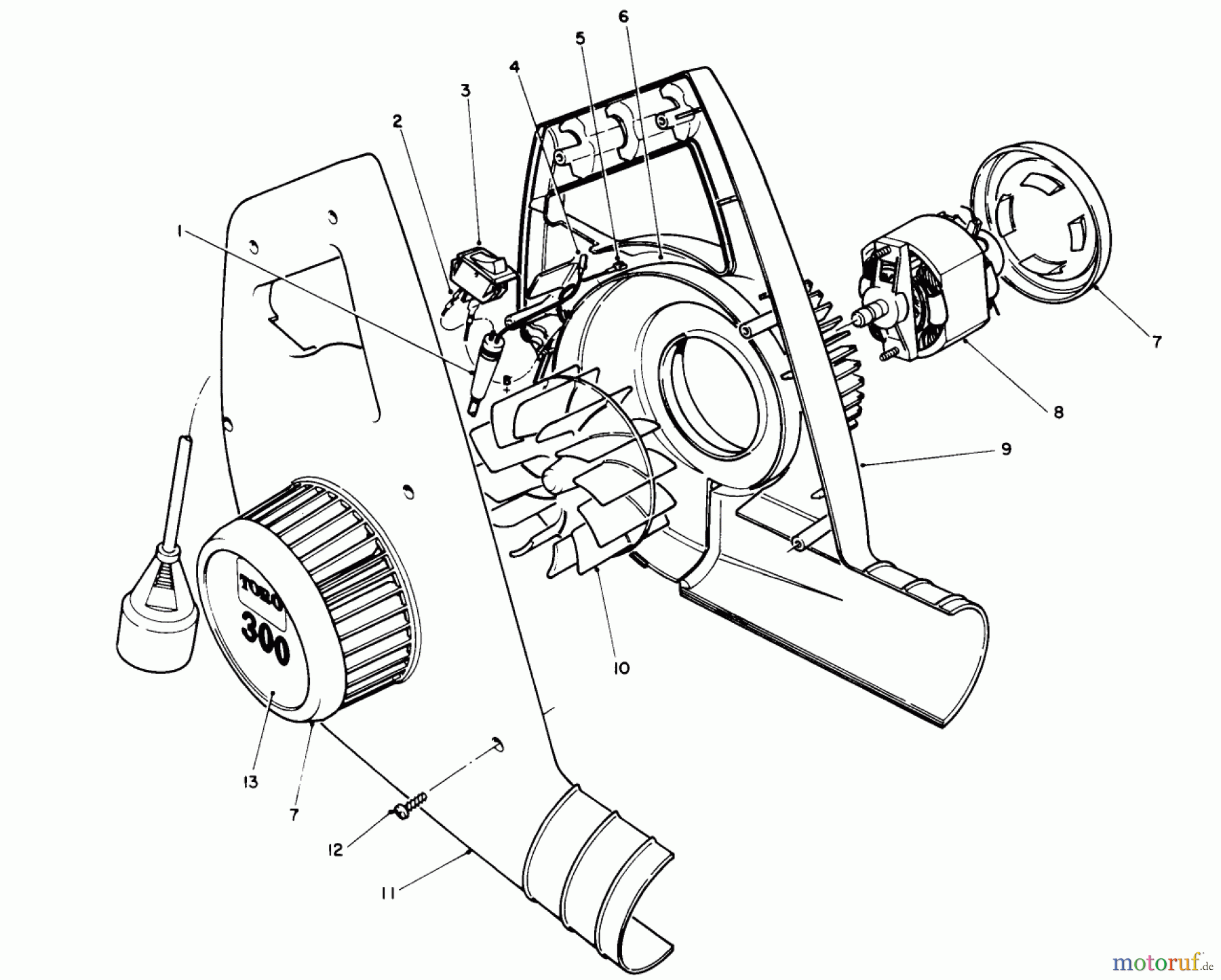
Toro 51580 (300) - 300 Clean Sweep, 1992 (2000001-2999999) BLOWER HOUSING & MOTOR ASSEMBLY Ersatzteile
BLOWER HOUSING & MOTOR ASSEMBLY 51580 (300) - Toro 300 Clean Sweep, 1992 (2000001-2999999)

Hier finden Sie die Ersatzteilzeichnung für Toro Neu Blowers/Vacuums/Chippers/Shredders 51580 (300) - Toro 300 Clean Sweep, 1992 (2000001-2999999) BLOWER HOUSING & MOTOR ASSEMBLY. Wählen Sie das benötigte Ersatzteil aus der Ersatzteilliste Ihres Toro Gerätes aus und bestellen Sie einfach online. Viele Toro Ersatzteile halten wir ständig in unserem Lager für Sie bereit.


Qualitätsmanagement
Informieren Sie uns, wenn Sie einen Fehler gefunden haben.

