Toro 51547 (700) - 700 TBX Rake-O-Vac, 1991 (1000001-1999999) BLOWER ASSEMBLY Ersatzteile
BLOWER ASSEMBLY 51547 (700) - Toro 700 TBX Rake-O-Vac, 1991 (1000001-1999999)

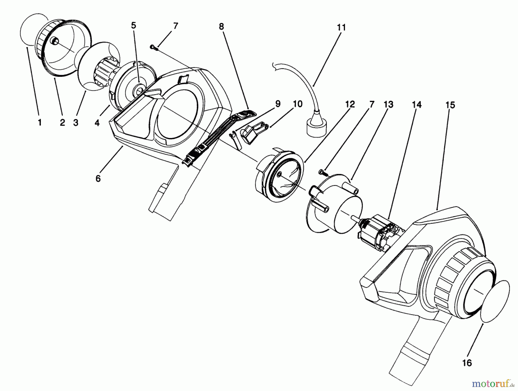
Hier finden Sie die Ersatzteilzeichnung für Toro Neu Blowers/Vacuums/Chippers/Shredders 51547 (700) - Toro 700 TBX Rake-O-Vac, 1991 (1000001-1999999) BLOWER ASSEMBLY. Wählen Sie das benötigte Ersatzteil aus der Ersatzteilliste Ihres Toro Gerätes aus und bestellen Sie einfach online. Viele Toro Ersatzteile halten wir ständig in unserem Lager für Sie bereit.



