Toro 30941 - 41cc Back Pack Blower, 1986 (6000001-6002183) BLOWER ASSEMBLY Ersatzteile
BLOWER ASSEMBLY 30941 - Toro 41cc Back Pack Blower, 1986 (6000001-6002183)

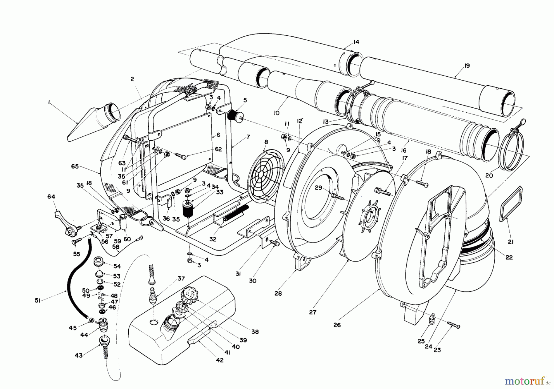
Hier finden Sie die Ersatzteilzeichnung für Toro Neu Blowers/Vacuums/Chippers/Shredders 30941 - Toro 41cc Back Pack Blower, 1986 (6000001-6002183) BLOWER ASSEMBLY. Wählen Sie das benötigte Ersatzteil aus der Ersatzteilliste Ihres Toro Gerätes aus und bestellen Sie einfach online. Viele Toro Ersatzteile halten wir ständig in unserem Lager für Sie bereit.



