Toro 07-36TL04 - 36" Tiller, 1990 TILLER-36 IN. (92 CM) VEHICLE IDENTIFICATION NUMBER 07-36TL04 #1 Ersatzteile
TILLER-36 IN. (92 CM) VEHICLE IDENTIFICATION NUMBER 07-36TL04 #1 07-36TL04 - Toro 36" Tiller, 1990

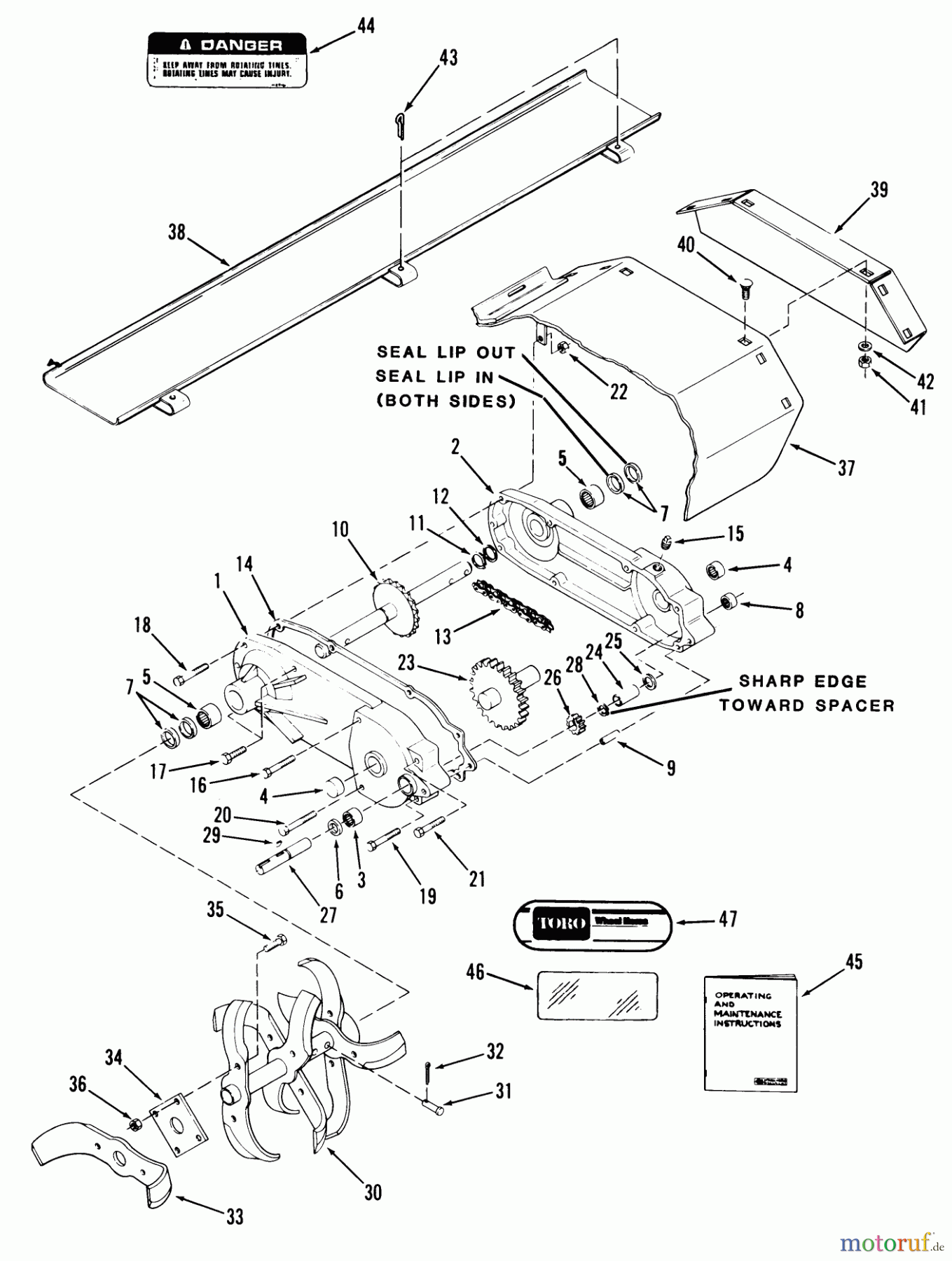
Hier finden Sie die Ersatzteilzeichnung für Toro Neu Accessories, Tiller/Cultivator 07-36TL04 - Toro 36" Tiller, 1990 TILLER-36 IN. (92 CM) VEHICLE IDENTIFICATION NUMBER 07-36TL04 #1. Wählen Sie das benötigte Ersatzteil aus der Ersatzteilliste Ihres Toro Gerätes aus und bestellen Sie einfach online. Viele Toro Ersatzteile halten wir ständig in unserem Lager für Sie bereit.



