Toro 06-48BC01 - 48" Snow/Dozer Blade, 1986 SNOW BLADE-42 IN. (107 CM) VEHICLE IDENTIFICATION NUMBER 06-42BB01, 06-42BB02 Ersatzteile
SNOW BLADE-42 IN. (107 CM) VEHICLE IDENTIFICATION NUMBER 06-42BB01, 06-42BB02 06-48BC01 - Toro 48" Snow/Dozer Blade, 1986

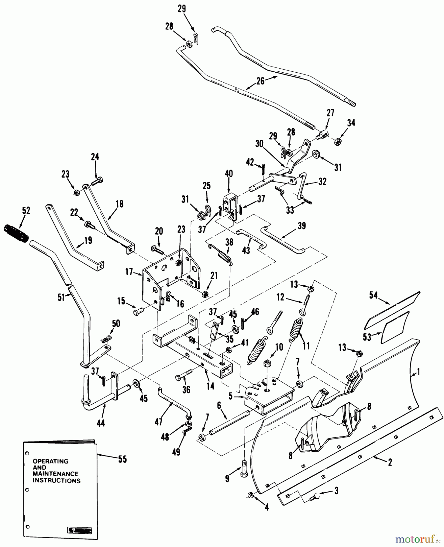
Hier finden Sie die Ersatzteilzeichnung für Toro Neu Accessories, Snow 06-48BC01 - Toro 48" Snow/Dozer Blade, 1986 SNOW BLADE-42 IN. (107 CM) VEHICLE IDENTIFICATION NUMBER 06-42BB01, 06-42BB02. Wählen Sie das benötigte Ersatzteil aus der Ersatzteilliste Ihres Toro Gerätes aus und bestellen Sie einfach online. Viele Toro Ersatzteile halten wir ständig in unserem Lager für Sie bereit.





