Tanaka TCP-381 - Centrifugal Pump Carburetor Ersatzteile
Carburetor TCP-381 - Tanaka Centrifugal Pump

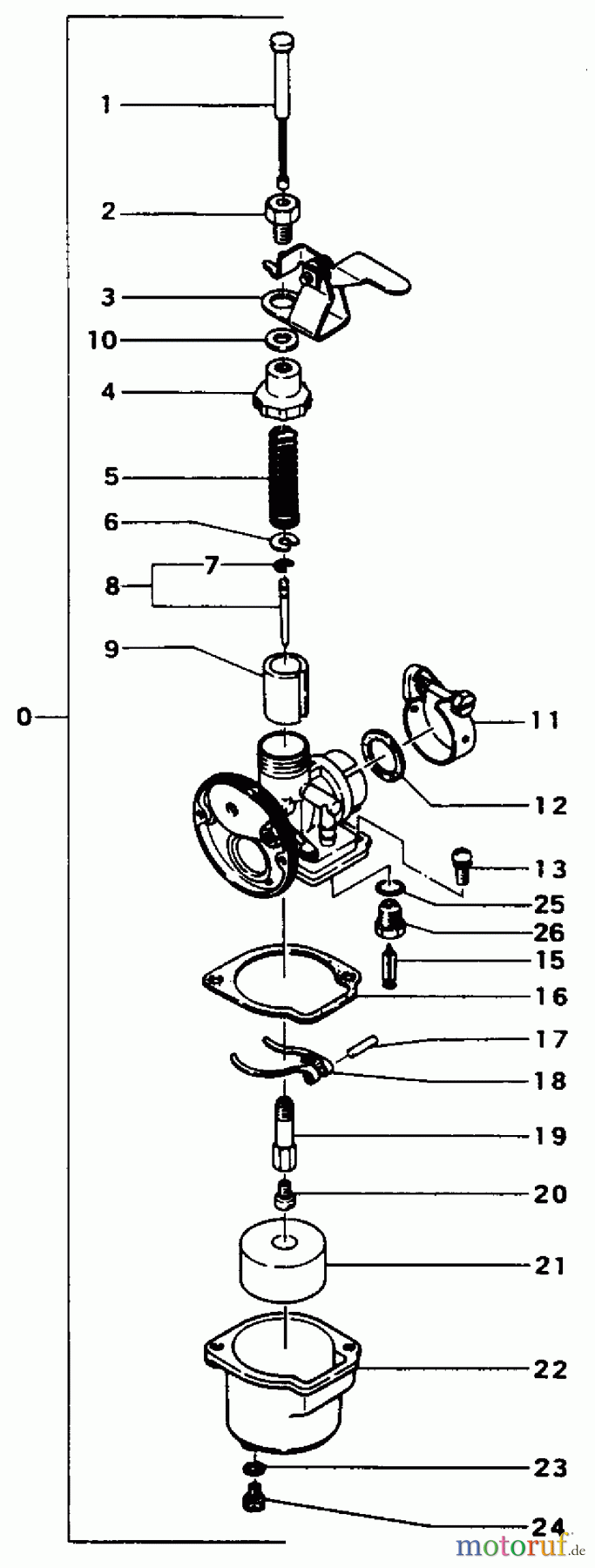
Hier finden Sie die Ersatzteilzeichnung für Tanaka Wasser Pumpen TCP-381 - Tanaka Centrifugal Pump Carburetor. Wählen Sie das benötigte Ersatzteil aus der Ersatzteilliste Ihres Tanaka Gerätes aus und bestellen Sie einfach online. Viele Tanaka Ersatzteile halten wir ständig in unserem Lager für Sie bereit.


Qualitätsmanagement
Informieren Sie uns, wenn Sie einen Fehler gefunden haben.

