Tanaka EHC-120 - Cut-Off Saw Cutter Assy & Muffler Assy Ersatzteile
Cutter Assy & Muffler Assy EHC-120 - Tanaka Cut-Off Saw

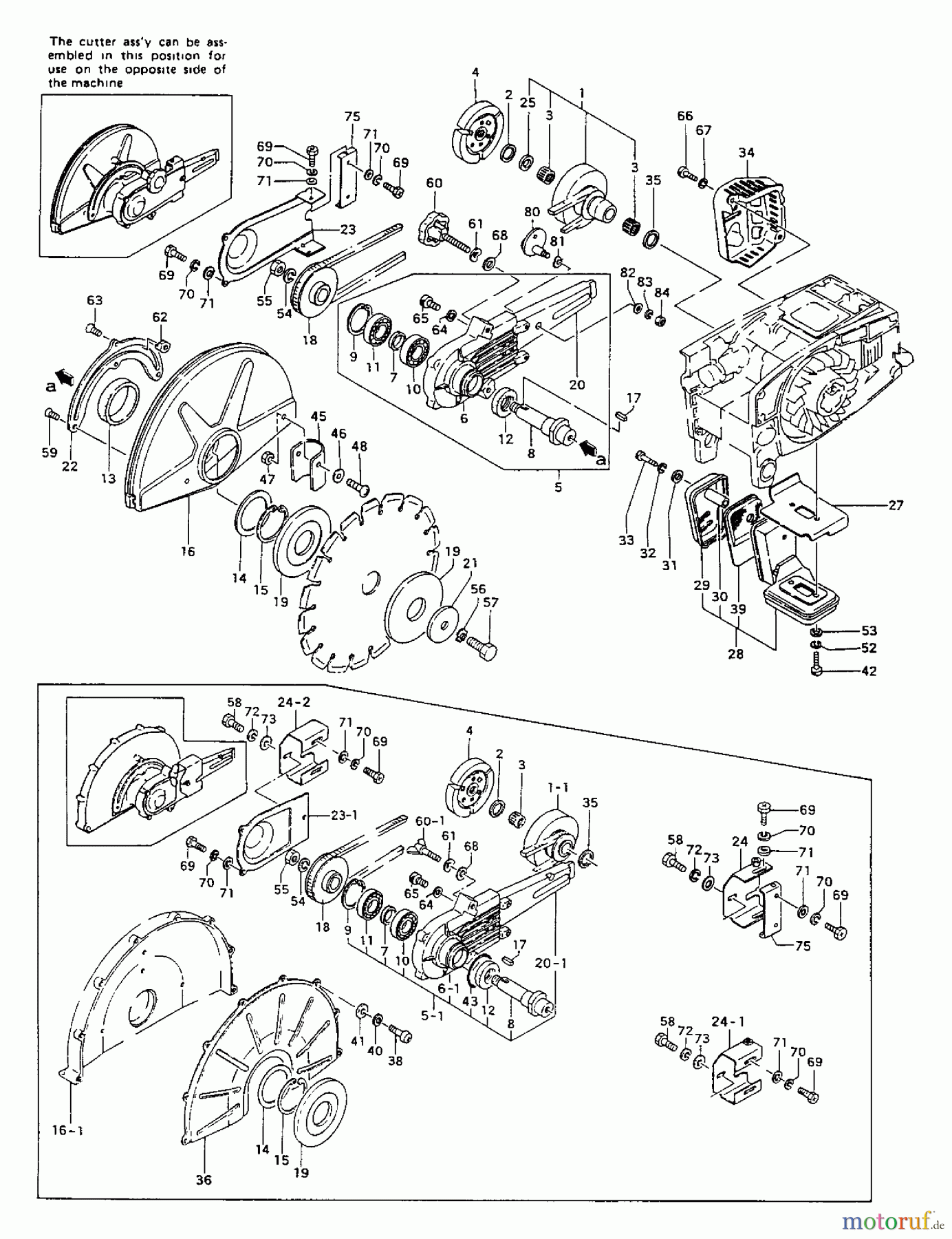
Hier finden Sie die Ersatzteilzeichnung für Tanaka Kappsägen EHC-120 - Tanaka Cut-Off Saw Cutter Assy & Muffler Assy. Wählen Sie das benötigte Ersatzteil aus der Ersatzteilliste Ihres Tanaka Gerätes aus und bestellen Sie einfach online. Viele Tanaka Ersatzteile halten wir ständig in unserem Lager für Sie bereit.


