Tanaka TOB-12B - 1.2HP Outboard Motor Shroud Ersatzteile
Shroud TOB-12B - Tanaka 1.2HP Outboard Motor

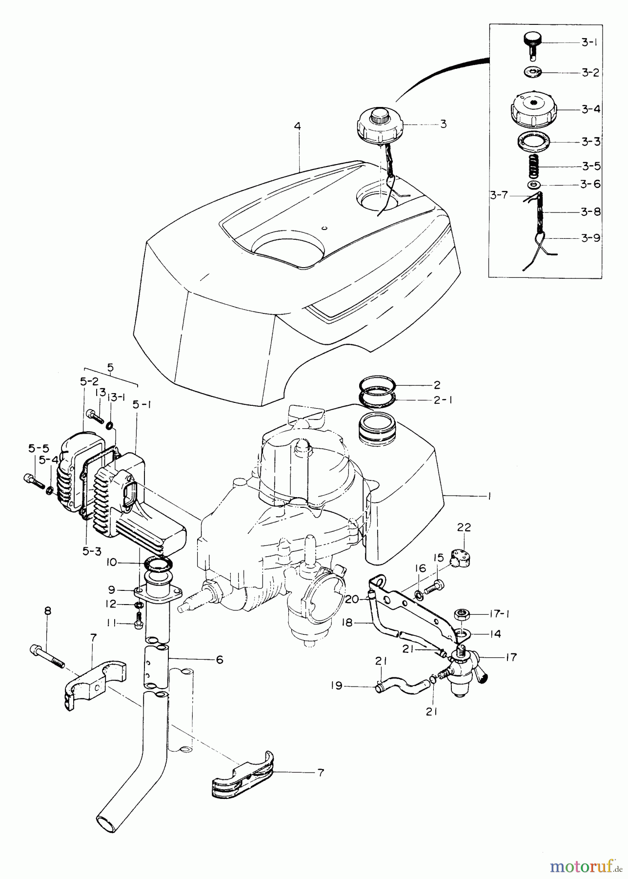
Hier finden Sie die Ersatzteilzeichnung für Tanaka Botsmotoren TOB-12B - Tanaka 1.2HP Outboard Motor Shroud. Wählen Sie das benötigte Ersatzteil aus der Ersatzteilliste Ihres Tanaka Gerätes aus und bestellen Sie einfach online. Viele Tanaka Ersatzteile halten wir ständig in unserem Lager für Sie bereit.
| BildNr | Artikel Nummer | Bezeichnung | |
| 1 | 6689822 | ||
| 2 | 60035100203 | ||
| 2.1 | obs | ||
| 3 | 6691790 | ||
| 3.1 | 60535100204 | ||
| 3.2 | 60635100200 | ||
| 3.3 | 41235100201 | ||
| 3.4 | 62835100204 | ||
| 3.5 | 6692333 | ||
| 3.6 | 668-4639 | Scheibe -P219450, 992-01060- | |
| 3.7 | 12435100201 | ||
| 3.8 | 6696127 | ||
| 3.9 | 6691798 | ||
| 4 | 30035100200 | ||
| 5 | 70500517900 | ||
| 5.1 | 6692603 | ||
| 5.2 | 6692616 | ||
| 5.3 | 73700517200 | ||
| 5.4 | obs | ||
| 5.5 | 6694874 | ||
| 6 | 22035100201 | ||
| 7 | 6688193 | ||
| 8 | 6694937 | ||
| 9 | 6688207 | ||
| 10 | 6688148 | ||
| 11 | 6694886 | ||
| 12 | 99210050032 | ||
| 13 | 669-4892 | Schraube 5x20 TBC250/300SDH,s. | |
| 13.1 | 99210050032 | ||
| 14 | 66200517202 | ||
| 15 | 6694928 | ||
| 16 | 669-5221 | Scheibe 6 | |
| 17 | 59200517901 | ||
| 17.1 | 59400517200 | ||
| 18 | 6692383 | ||
| 19 | 70000517200 | ||
| 20 | 70100517200 | ||
| 21 | 669-2309 | Clip . | |
| 22 | 02135100200 | ||


Qualitätsmanagement
Informieren Sie uns, wenn Sie einen Fehler gefunden haben.

