Tanaka TED-210 - Gas Drill Handles & Throttle Ersatzteile
Handles & Throttle TED-210 - Tanaka Gas Drill

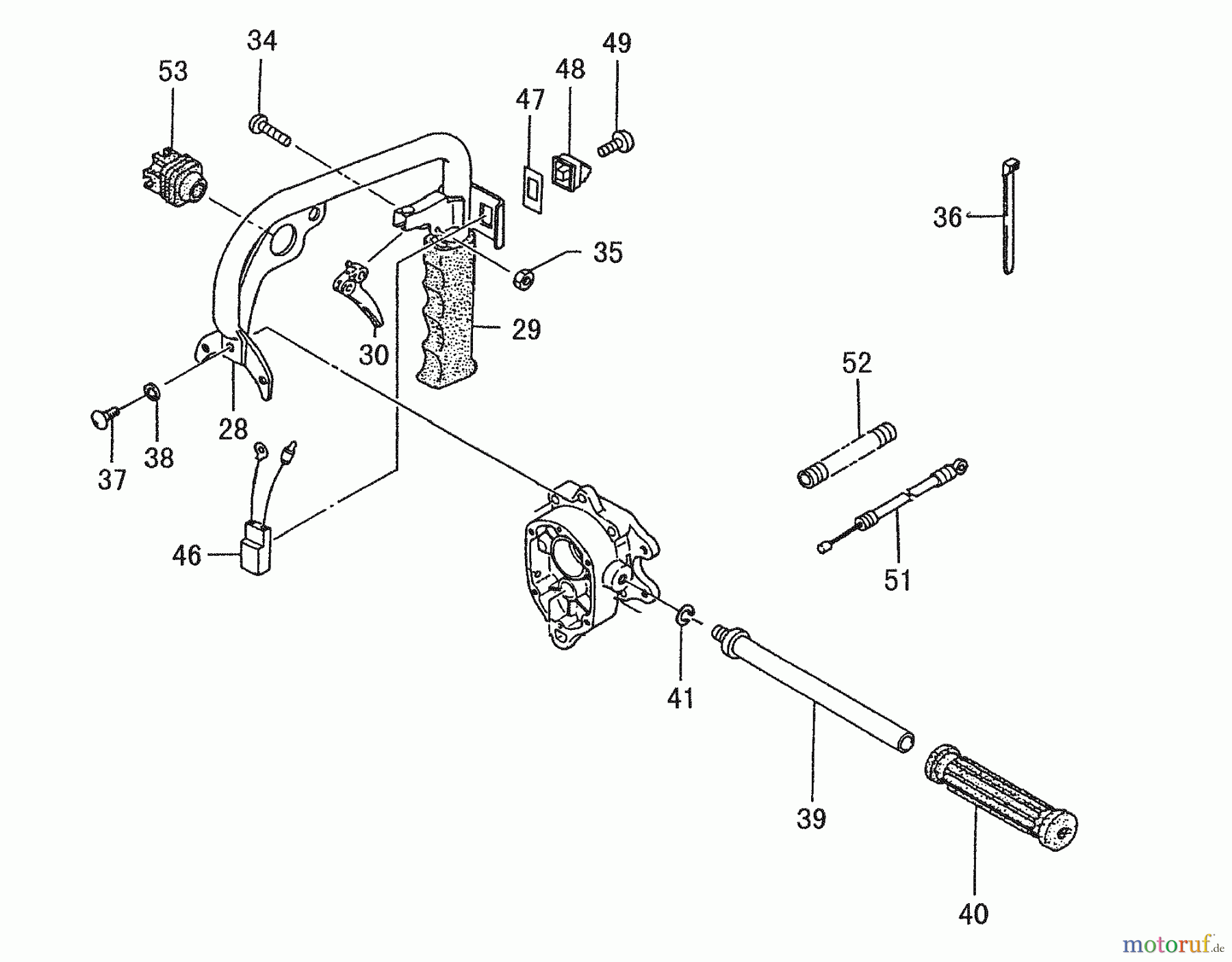
Hier finden Sie die Ersatzteilzeichnung für Tanaka Erdbohrer TED-210 - Tanaka Gas Drill Handles & Throttle. Wählen Sie das benötigte Ersatzteil aus der Ersatzteilliste Ihres Tanaka Gerätes aus und bestellen Sie einfach online. Viele Tanaka Ersatzteile halten wir ständig in unserem Lager für Sie bereit.


Qualitätsmanagement
Informieren Sie uns, wenn Sie einen Fehler gefunden haben.

