Tanaka TBL-505 - Backpack Blower Engine, Muffler, Air Cleaner, Fuel System Ersatzteile
Engine, Muffler, Air Cleaner, Fuel System TBL-505 - Tanaka Backpack Blower

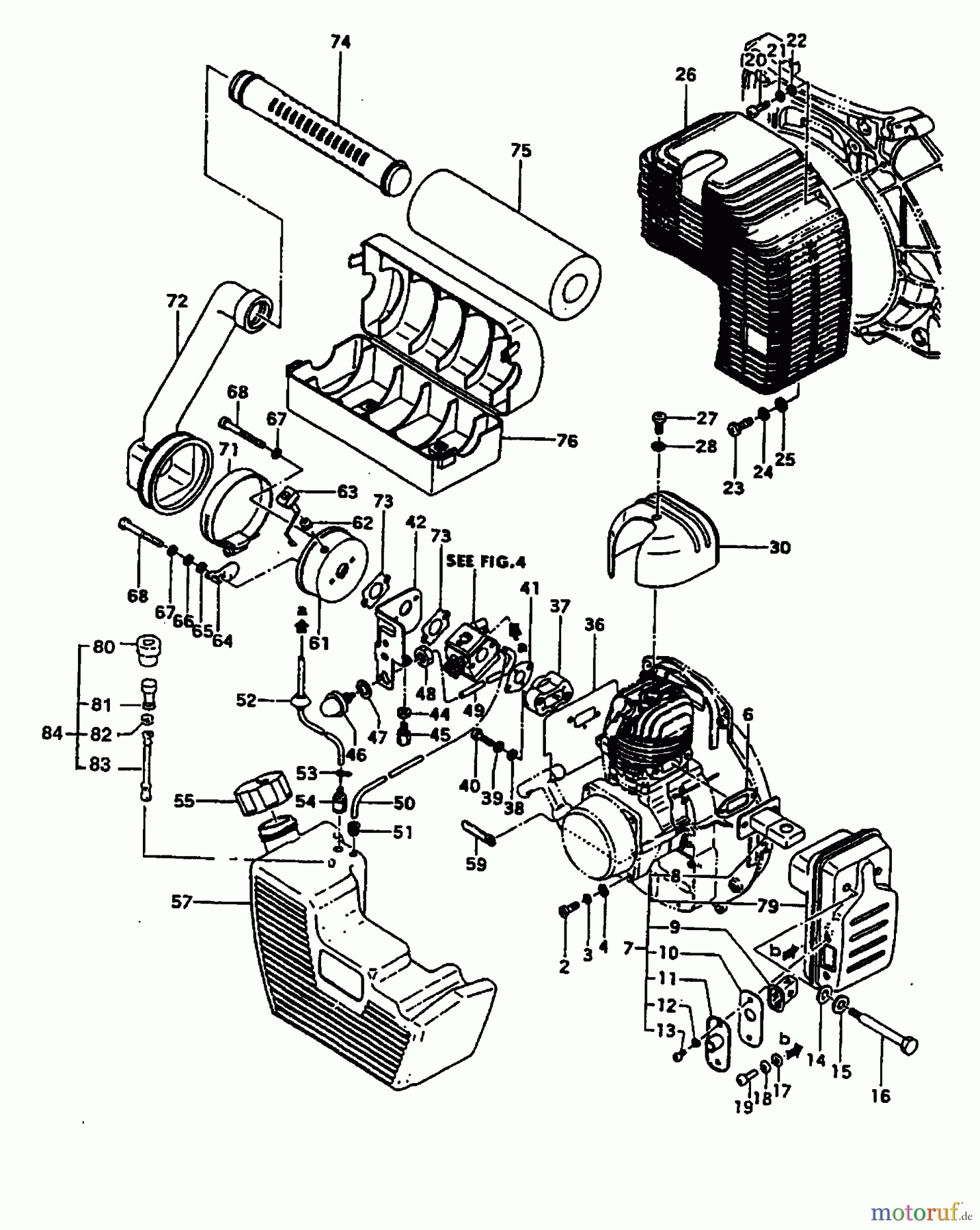
Hier finden Sie die Ersatzteilzeichnung für Tanaka Blasgeräte, Sauger, Häcksler, Mulchgeräte TBL-505 - Tanaka Backpack Blower Engine, Muffler, Air Cleaner, Fuel System. Wählen Sie das benötigte Ersatzteil aus der Ersatzteilliste Ihres Tanaka Gerätes aus und bestellen Sie einfach online. Viele Tanaka Ersatzteile halten wir ständig in unserem Lager für Sie bereit.


Qualitätsmanagement
Informieren Sie uns, wenn Sie einen Fehler gefunden haben.





