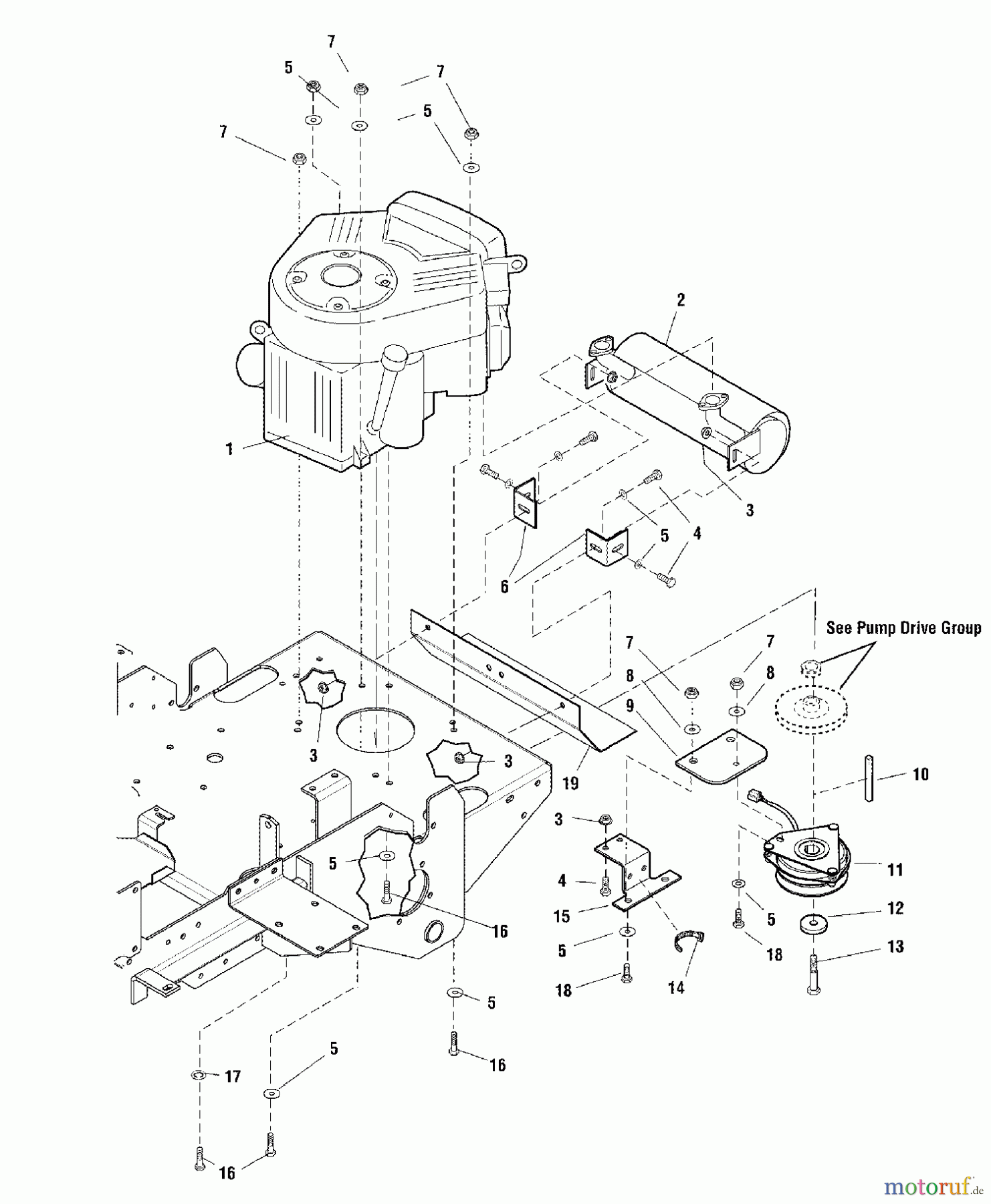
Snapper ZT20501BV (5900610) - 50" Zero-Turn Mower, 20 HP, ZTR FastCut Series 1 Engine & PTO Group - BRIGGS & STRATTON Ersatzteile
Engine & PTO Group - BRIGGS & STRATTON ZT20501BV (5900610) - Snapper 50" Zero-Turn Mower, 20 HP, ZTR FastCut Series 1

Hier finden Sie die Ersatzteilzeichnung für Snapper Nullwendekreismäher, Zero-Turn ZT20501BV (5900610) - Snapper 50" Zero-Turn Mower, 20 HP, ZTR FastCut Series 1 Engine & PTO Group - BRIGGS & STRATTON. Wählen Sie das benötigte Ersatzteil aus der Ersatzteilliste Ihres Snapper Gerätes aus und bestellen Sie einfach online. Viele Snapper Ersatzteile halten wir ständig in unserem Lager für Sie bereit.



