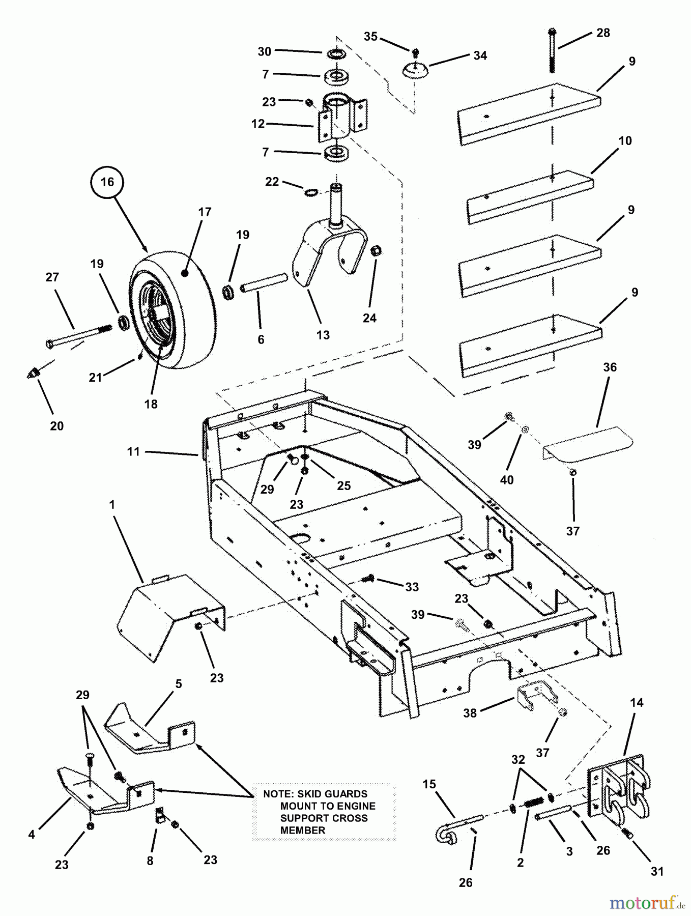
Snapper ZF2501KH (84574) - 25 HP Zero-Turn Mower, Out Front, Z-Rider Series 1 Lower Chassis/Caster Wheel Assembly Ersatzteile
Lower Chassis/Caster Wheel Assembly ZF2501KH (84574) - Snapper 25 HP Zero-Turn Mower, Out Front, Z-Rider Series 1

Hier finden Sie die Ersatzteilzeichnung für Snapper Nullwendekreismäher, Zero-Turn ZF2501KH (84574) - Snapper 25 HP Zero-Turn Mower, Out Front, Z-Rider Series 1 Lower Chassis/Caster Wheel Assembly. Wählen Sie das benötigte Ersatzteil aus der Ersatzteilliste Ihres Snapper Gerätes aus und bestellen Sie einfach online. Viele Snapper Ersatzteile halten wir ständig in unserem Lager für Sie bereit.


