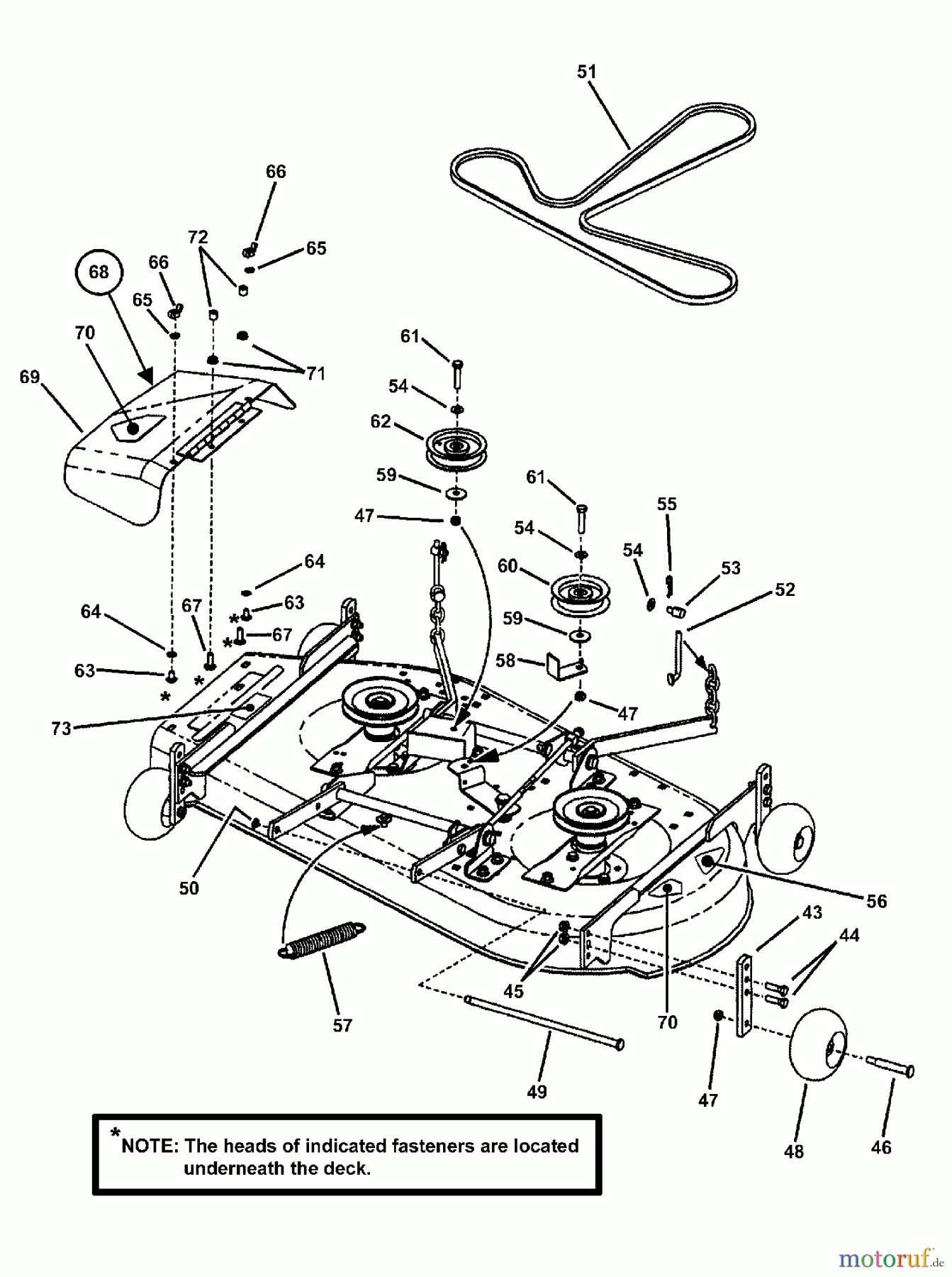
Snapper SZT18426BVE (85681) - 42" Zero-Turn Mower, 18 HP, Twin Stick, ZTR Series 6 42" MOWER DECK ASSEMBLY (Part 3) Ersatzteile
42" MOWER DECK ASSEMBLY (Part 3) SZT18426BVE (85681) - Snapper 42" Zero-Turn Mower, 18 HP, Twin Stick, ZTR Series 6

Hier finden Sie die Ersatzteilzeichnung für Snapper Nullwendekreismäher, Zero-Turn SZT18426BVE (85681) - Snapper 42" Zero-Turn Mower, 18 HP, Twin Stick, ZTR Series 6 42" MOWER DECK ASSEMBLY (Part 3). Wählen Sie das benötigte Ersatzteil aus der Ersatzteilliste Ihres Snapper Gerätes aus und bestellen Sie einfach online. Viele Snapper Ersatzteile halten wir ständig in unserem Lager für Sie bereit.


Qualitätsmanagement
Informieren Sie uns, wenn Sie einen Fehler gefunden haben.


