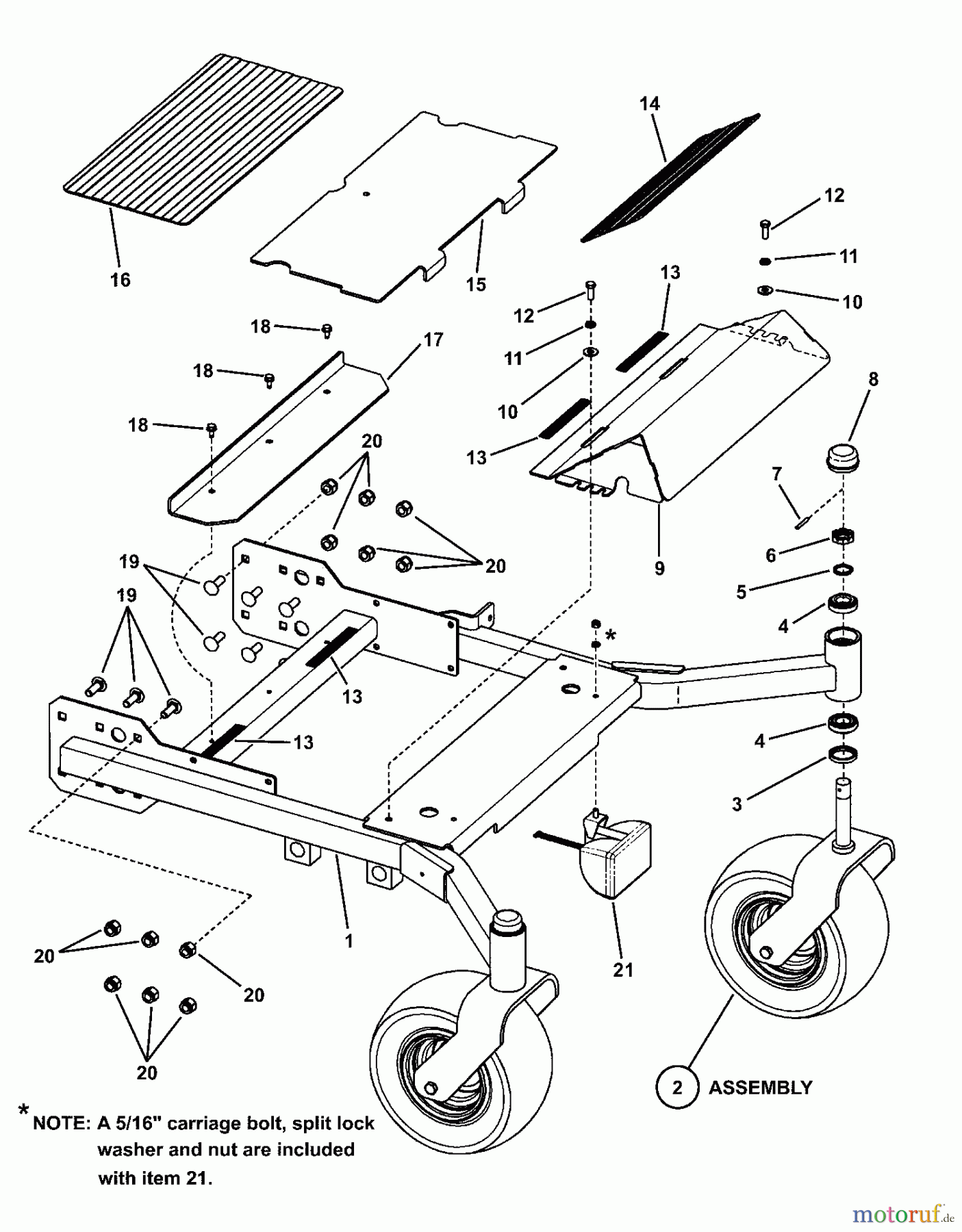
Snapper NZMXL30614KH (7800088) - 61" Zero-Turn Mower, 30 HP, Kohler, Mid Mount, Large Frame, Z-Rider Commercial Lawn & Turf Series 4 FRONT CHASSIS ASSEMBLY (Frame) Ersatzteile
FRONT CHASSIS ASSEMBLY (Frame) NZMXL30614KH (7800088) - Snapper 61" Zero-Turn Mower, 30 HP, Kohler, Mid Mount, Large Frame, Z-Rider Commercial Lawn & Turf Series 4

Hier finden Sie die Ersatzteilzeichnung für Snapper Nullwendekreismäher, Zero-Turn NZMXL30614KH (7800088) - Snapper 61" Zero-Turn Mower, 30 HP, Kohler, Mid Mount, Large Frame, Z-Rider Commercial Lawn & Turf Series 4 FRONT CHASSIS ASSEMBLY (Frame). Wählen Sie das benötigte Ersatzteil aus der Ersatzteilliste Ihres Snapper Gerätes aus und bestellen Sie einfach online. Viele Snapper Ersatzteile halten wir ständig in unserem Lager für Sie bereit.


Qualitätsmanagement
Informieren Sie uns, wenn Sie einen Fehler gefunden haben.

