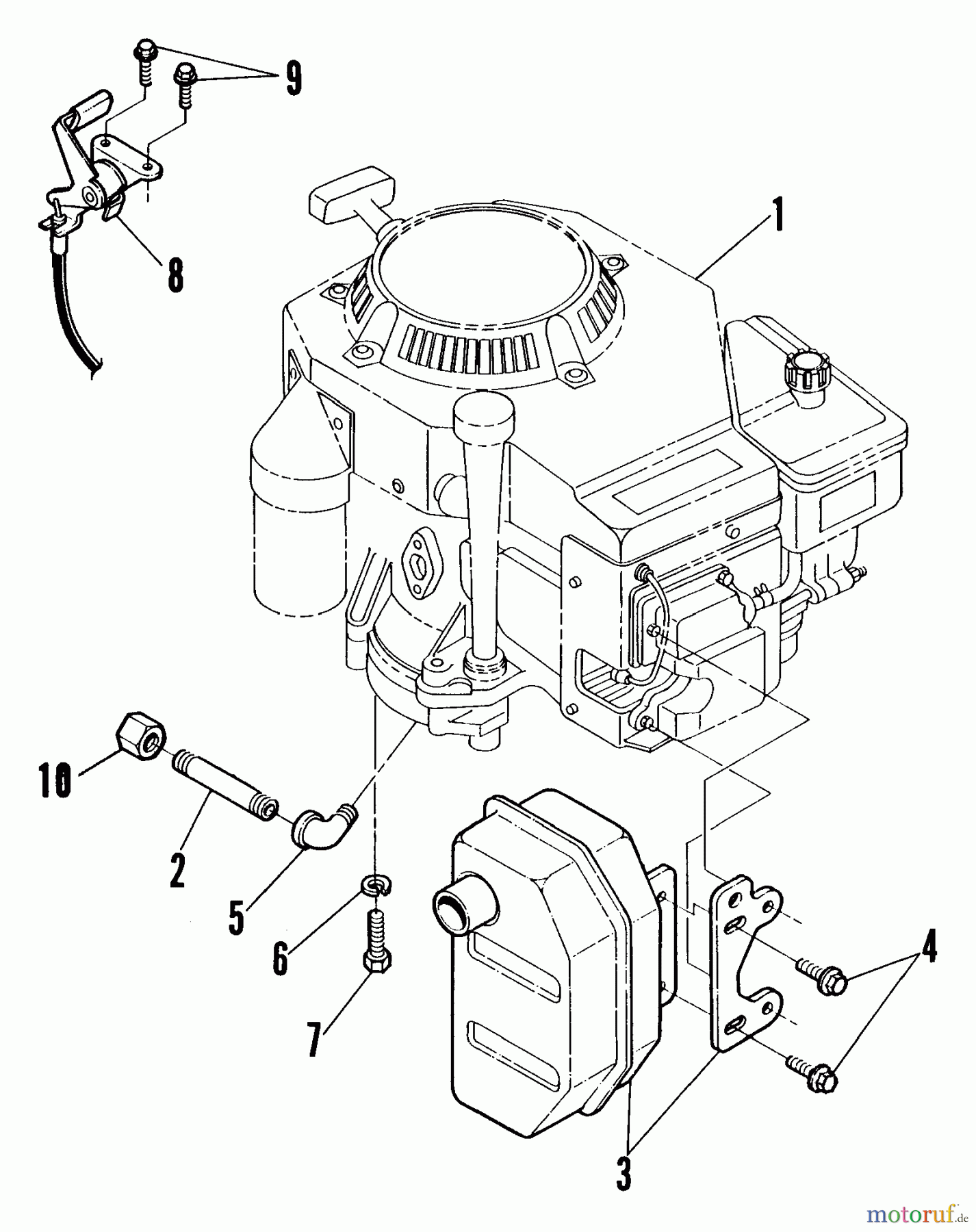
Snapper PPU140R - Wide-Area Walk-Behind Mower, 14 HP, Mid-Size Gear Drive, Series 0 14 HP Engine Subassembly Ersatzteile
14 HP Engine Subassembly PPU140R - Snapper Wide-Area Walk-Behind Mower, 14 HP, Mid-Size Gear Drive, Series 0

Hier finden Sie die Ersatzteilzeichnung für Snapper Rasenmäher für Großflächen PPU140R - Snapper Wide-Area Walk-Behind Mower, 14 HP, Mid-Size Gear Drive, Series 0 14 HP Engine Subassembly. Wählen Sie das benötigte Ersatzteil aus der Ersatzteilliste Ihres Snapper Gerätes aus und bestellen Sie einfach online. Viele Snapper Ersatzteile halten wir ständig in unserem Lager für Sie bereit.



