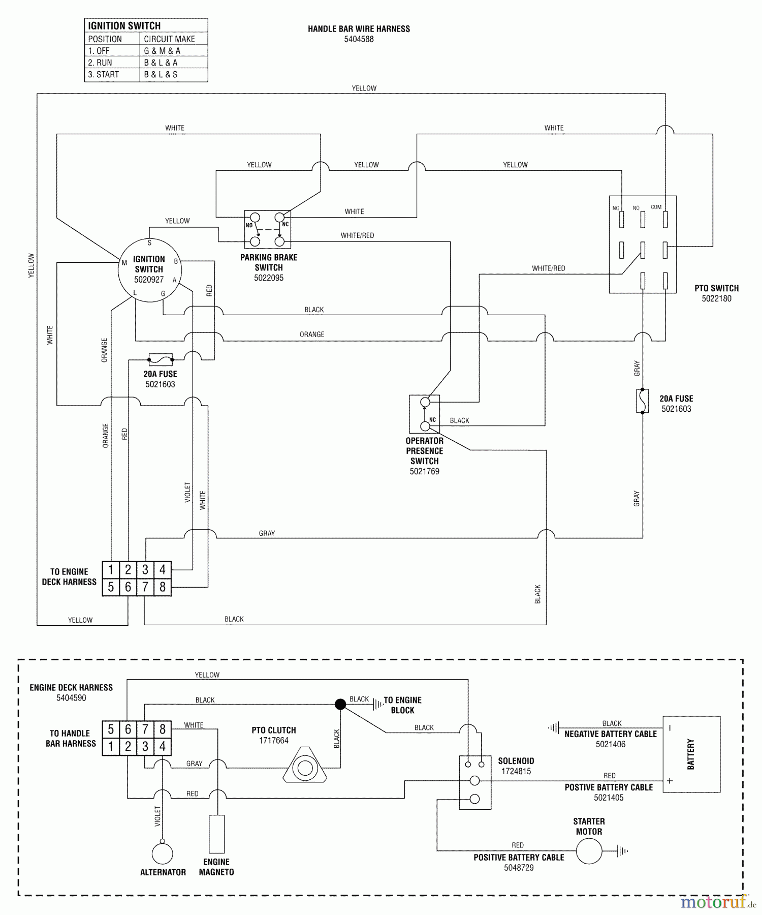
Snapper HC32RDKAV13ECE (5900846) - 32" Wide-Area Walk-Behind Mower, 13 HP, Rear Discharge, Hydro Drive Electrical Schematic - Electric Start (S/N: 2013316440 & Above) Ersatzteile
Electrical Schematic - Electric Start (S/N: 2013316440 & Above) HC32RDKAV13ECE (5900846) - Snapper 32" Wide-Area Walk-Behind Mower, 13 HP, Rear Discharge, Hydro Drive

Hier finden Sie die Ersatzteilzeichnung für Snapper Rasenmäher für Großflächen HC32RDKAV13ECE (5900846) - Snapper 32" Wide-Area Walk-Behind Mower, 13 HP, Rear Discharge, Hydro Drive Electrical Schematic - Electric Start (S/N: 2013316440 & Above). Wählen Sie das benötigte Ersatzteil aus der Ersatzteilliste Ihres Snapper Gerätes aus und bestellen Sie einfach online. Viele Snapper Ersatzteile halten wir ständig in unserem Lager für Sie bereit.



