Snapper CLP21601RV - 21" Walk-Behind Mower, 6 HP, Cast Rear Discharge, Series 1 TRANSMISSION Ersatzteile
TRANSMISSION CLP21601RV - Snapper 21" Walk-Behind Mower, 6 HP, Cast Rear Discharge, Series 1

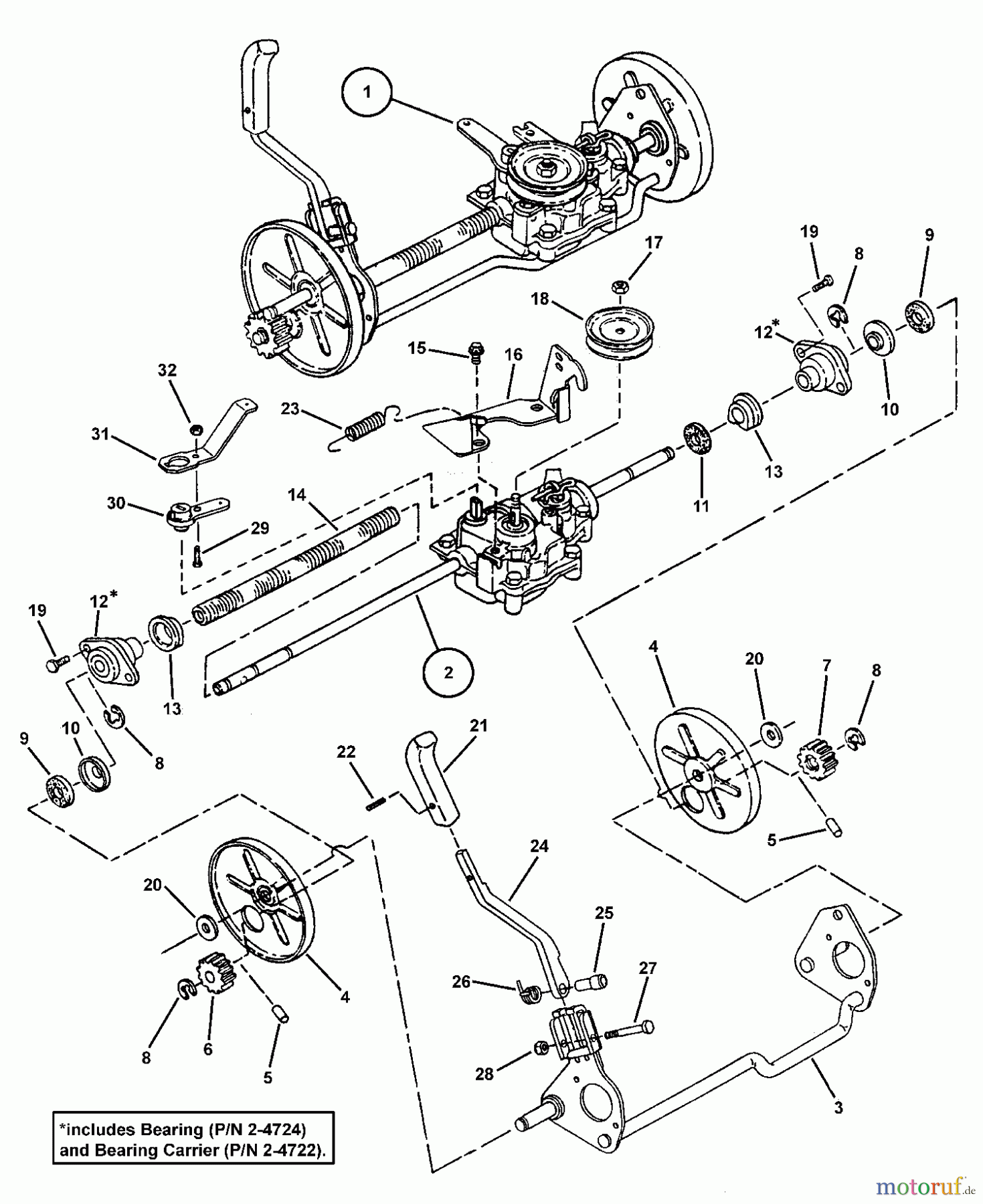
Hier finden Sie die Ersatzteilzeichnung für Snapper Rasenmäher CLP21601RV - Snapper 21" Walk-Behind Mower, 6 HP, Cast Rear Discharge, Series 1 TRANSMISSION. Wählen Sie das benötigte Ersatzteil aus der Ersatzteilliste Ihres Snapper Gerätes aus und bestellen Sie einfach online. Viele Snapper Ersatzteile halten wir ständig in unserem Lager für Sie bereit.



