Snapper RE210 (7800921-00) - 33" Rear-Engine Rider, 14.5 HP Hydro Drive, RE Series (Export) Spindle Assembly Group Ersatzteile
Spindle Assembly Group RE210 (7800921-00) - Snapper 33" Rear-Engine Rider, 14.5 HP Hydro Drive, RE Series (Export)

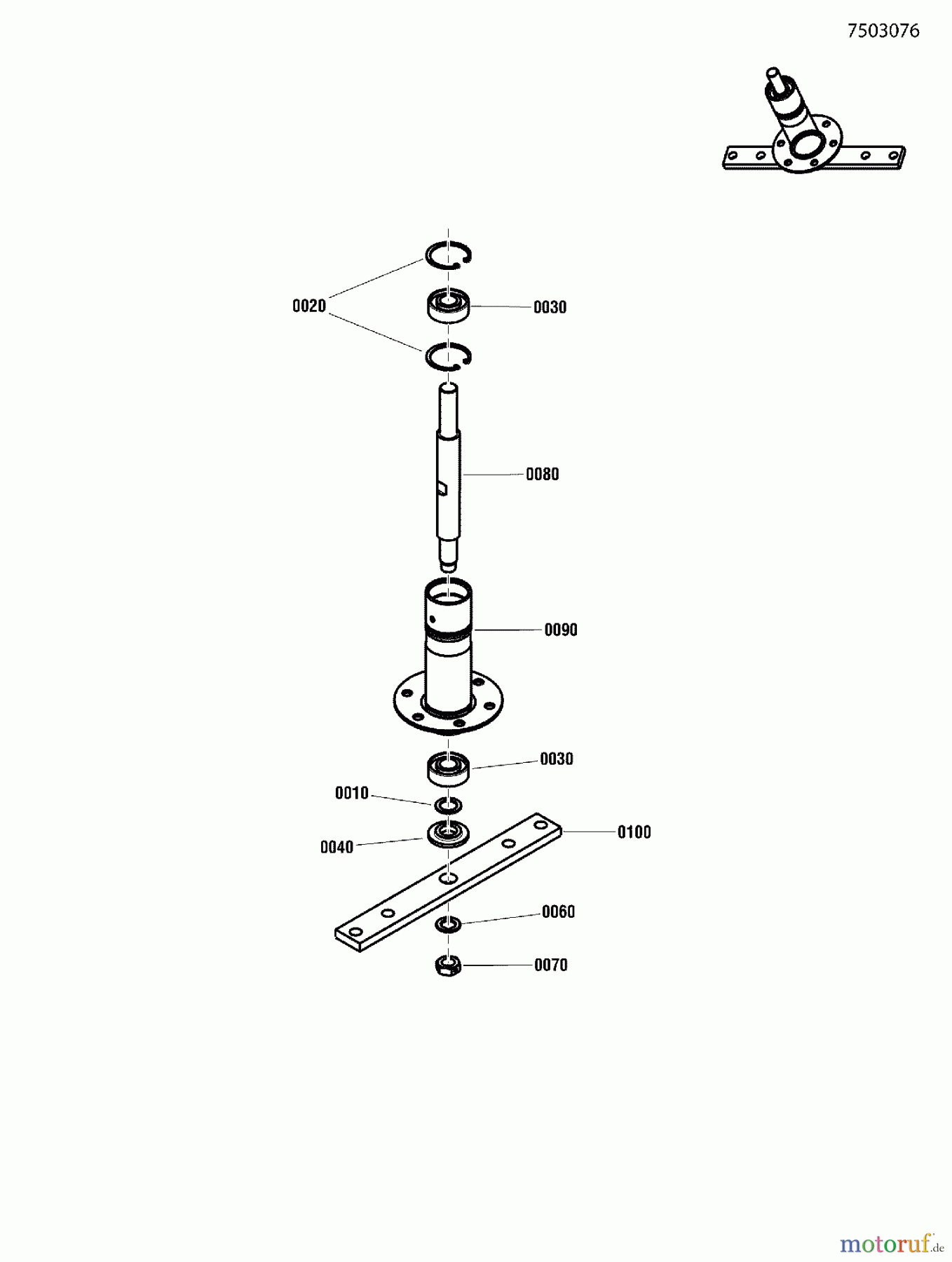
Hier finden Sie die Ersatzteilzeichnung für Snapper Reitermäher RE210 (7800921-00) - Snapper 33" Rear-Engine Rider, 14.5 HP Hydro Drive, RE Series (Export) Spindle Assembly Group. Wählen Sie das benötigte Ersatzteil aus der Ersatzteilliste Ihres Snapper Gerätes aus und bestellen Sie einfach online. Viele Snapper Ersatzteile halten wir ständig in unserem Lager für Sie bereit.
| BildNr | Artikel Nummer | Bezeichnung | |
| 0010 | ![]() | BS7010935SM | FW, .77X1.13X.06 |
| 0020 | BS7012491SM | HALTERING EXT | |
| 0030 | BS7013313SM | SPINDELLAGER | |
| 0040 | BS7014407SM | WASHER, SPINDLE, PM | |
| 0060 | BS7044782YP | SPACER, BLADE CENTER | |
| 0070 | BS7090356YP | MUTTER | |
| 0080 | BS7200147YP | ||
| 0090 | BS7400327YP | ||
| 0100 | BS7037751BMYP | HOLDER, BLADE | |




