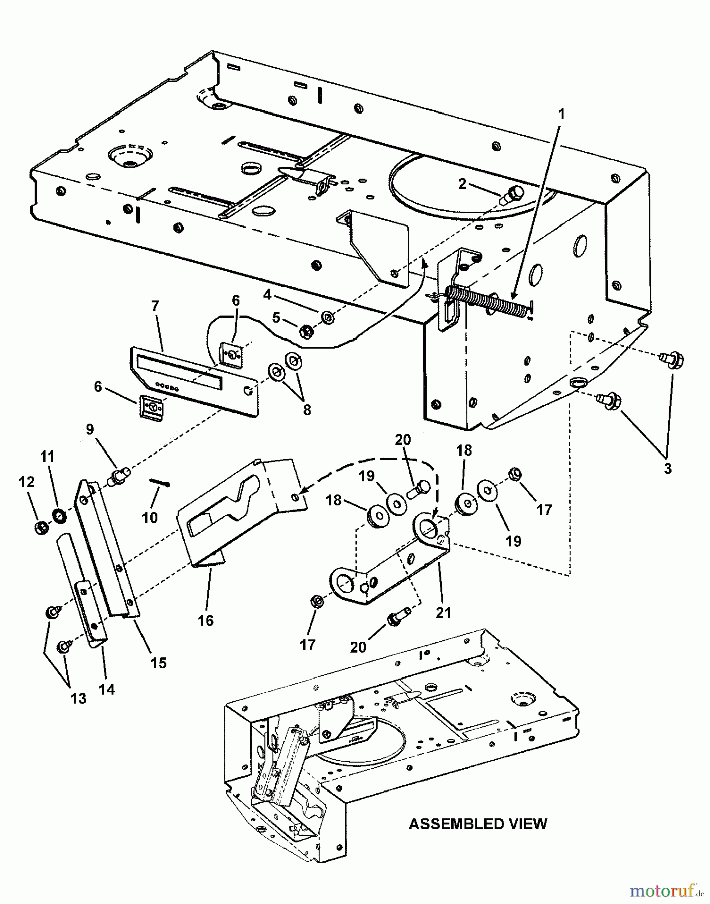
Snapper C3317523BVE (7800368) - 33" Rear-Engine Rider, 17.5 HP, Series 23, California YOKE LIFT COMPONENTS Ersatzteile
YOKE LIFT COMPONENTS C3317523BVE (7800368) - Snapper 33" Rear-Engine Rider, 17.5 HP, Series 23, California

Hier finden Sie die Ersatzteilzeichnung für Snapper Reitermäher C3317523BVE (7800368) - Snapper 33" Rear-Engine Rider, 17.5 HP, Series 23, California YOKE LIFT COMPONENTS. Wählen Sie das benötigte Ersatzteil aus der Ersatzteilliste Ihres Snapper Gerätes aus und bestellen Sie einfach online. Viele Snapper Ersatzteile halten wir ständig in unserem Lager für Sie bereit.



