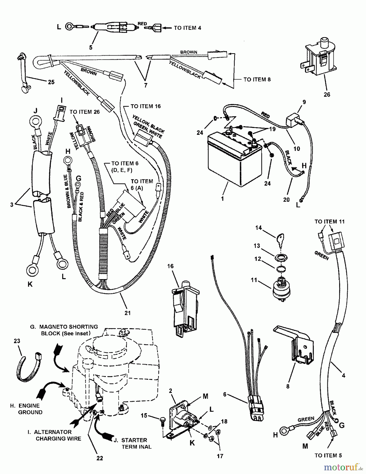
Snapper C3317523BVE (7800368) - 33" Rear-Engine Rider, 17.5 HP, Series 23, California ELECTRICAL SYSTEMS (For 17.5 HP Briggs) Ersatzteile
ELECTRICAL SYSTEMS (For 17.5 HP Briggs) C3317523BVE (7800368) - Snapper 33" Rear-Engine Rider, 17.5 HP, Series 23, California

Hier finden Sie die Ersatzteilzeichnung für Snapper Reitermäher C3317523BVE (7800368) - Snapper 33" Rear-Engine Rider, 17.5 HP, Series 23, California ELECTRICAL SYSTEMS (For 17.5 HP Briggs). Wählen Sie das benötigte Ersatzteil aus der Ersatzteilliste Ihres Snapper Gerätes aus und bestellen Sie einfach online. Viele Snapper Ersatzteile halten wir ständig in unserem Lager für Sie bereit.


Qualitätsmanagement
Informieren Sie uns, wenn Sie einen Fehler gefunden haben.


