Snapper 331522KVE (84677) - 33" Rear-Engine Rider, 15 HP, Series 22 Electrical Systems (For 15 HP Kohler) Ersatzteile
Electrical Systems (For 15 HP Kohler) 331522KVE (84677) - Snapper 33" Rear-Engine Rider, 15 HP, Series 22

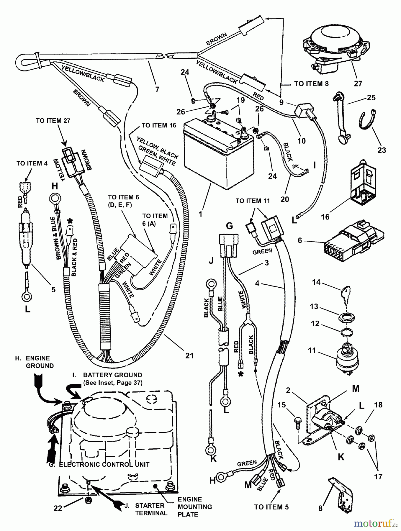
Hier finden Sie die Ersatzteilzeichnung für Snapper Reitermäher 331522KVE (84677) - Snapper 33" Rear-Engine Rider, 15 HP, Series 22 Electrical Systems (For 15 HP Kohler). Wählen Sie das benötigte Ersatzteil aus der Ersatzteilliste Ihres Snapper Gerätes aus und bestellen Sie einfach online. Viele Snapper Ersatzteile halten wir ständig in unserem Lager für Sie bereit.




