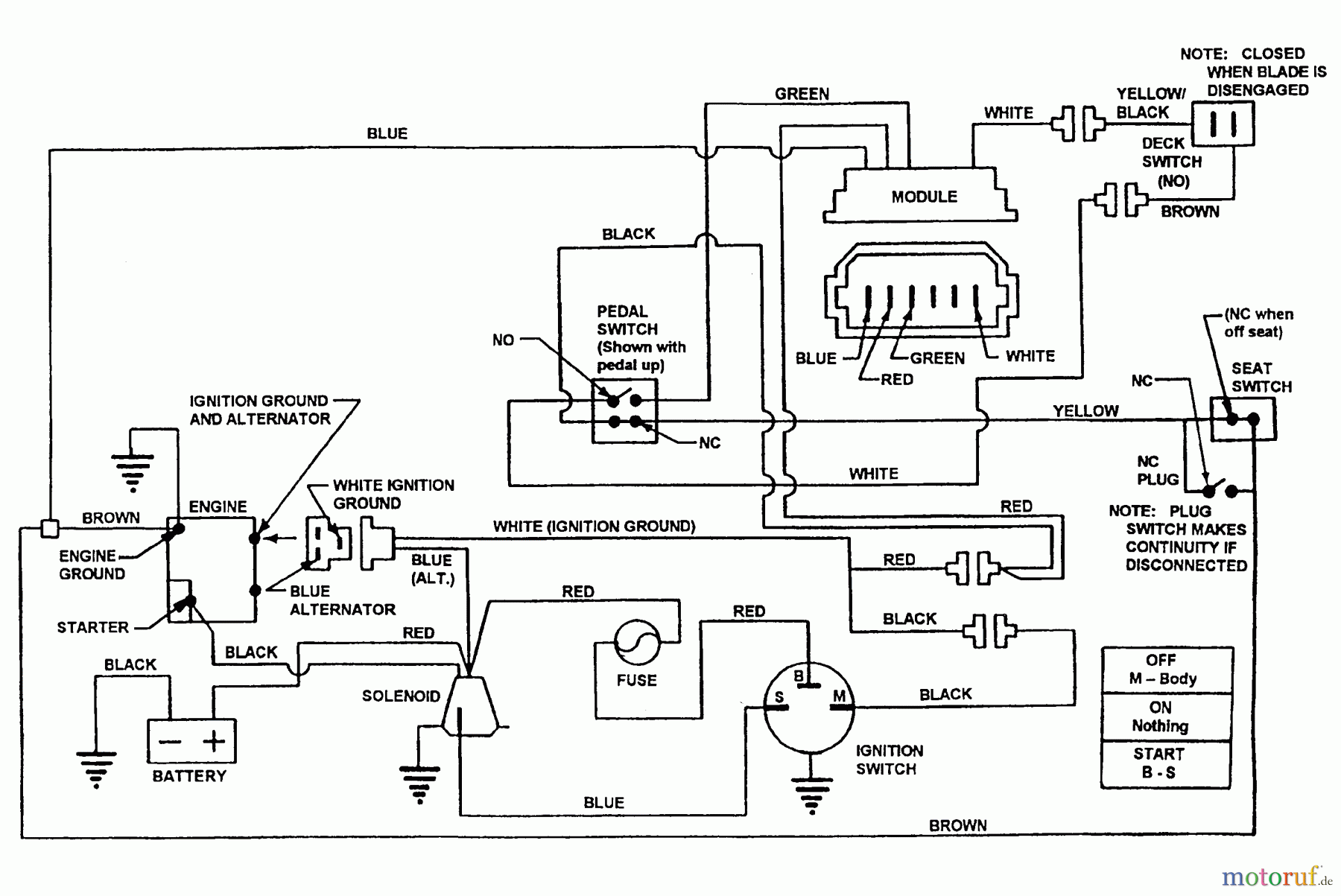
Snapper 331520KVE - 33" Rear-Engine Rider, 15 HP, Series 20 Wiring Schematics (14 & 15 HP Kohler Engines) Ersatzteile
Wiring Schematics (14 & 15 HP Kohler Engines) 331520KVE - Snapper 33" Rear-Engine Rider, 15 HP, Series 20

Hier finden Sie die Ersatzteilzeichnung für Snapper Reitermäher 331520KVE - Snapper 33" Rear-Engine Rider, 15 HP, Series 20 Wiring Schematics (14 & 15 HP Kohler Engines). Wählen Sie das benötigte Ersatzteil aus der Ersatzteilliste Ihres Snapper Gerätes aus und bestellen Sie einfach online. Viele Snapper Ersatzteile halten wir ständig in unserem Lager für Sie bereit.
| BildNr | Artikel Nummer | Bezeichnung | |
| Briggs and Stratton | |||



