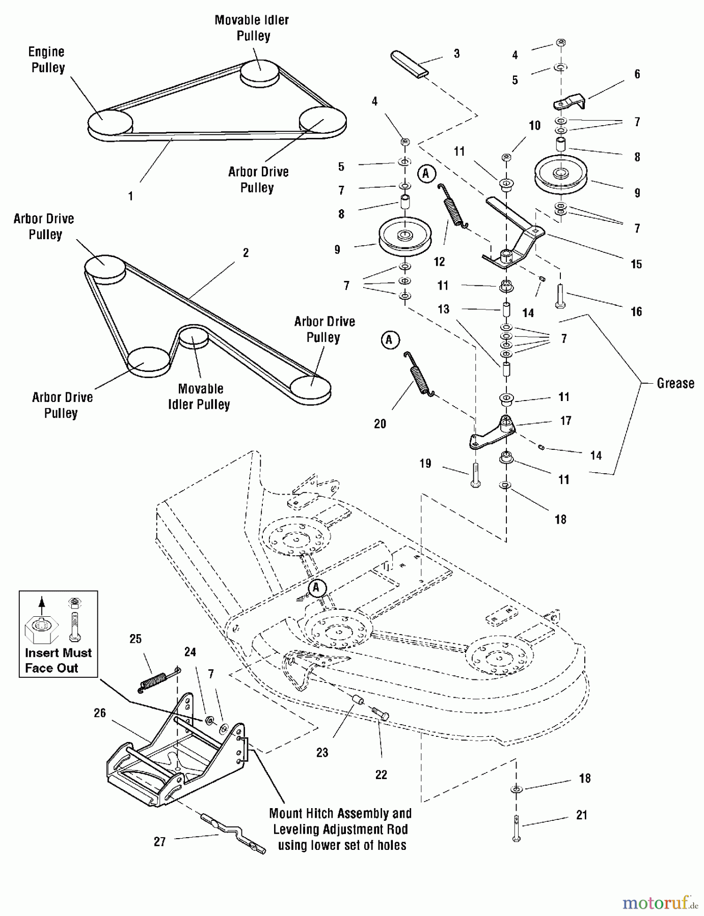
Snapper YT23500 (2690411) - 50" Yard Tractor, 23 HP, Hydro Drive, RMO, YT400 Series 50" Mower Deck - Clutch & Support Group Ersatzteile
50" Mower Deck - Clutch & Support Group YT23500 (2690411) - Snapper 50" Yard Tractor, 23 HP, Hydro Drive, RMO, YT400 Series

Hier finden Sie die Ersatzteilzeichnung für Snapper Rasen- und Gartentraktoren YT23500 (2690411) - Snapper 50" Yard Tractor, 23 HP, Hydro Drive, RMO, YT400 Series 50" Mower Deck - Clutch & Support Group. Wählen Sie das benötigte Ersatzteil aus der Ersatzteilliste Ihres Snapper Gerätes aus und bestellen Sie einfach online. Viele Snapper Ersatzteile halten wir ständig in unserem Lager für Sie bereit.



