Snapper LT2246 (2691145-00) - 46" Lawn Tractor, 22 HP, Hydro Drive, RMO, LT9500 Series Controls Group - Cruise Control Ersatzteile
Controls Group - Cruise Control LT2246 (2691145-00) - Snapper 46" Lawn Tractor, 22 HP, Hydro Drive, RMO, LT9500 Series

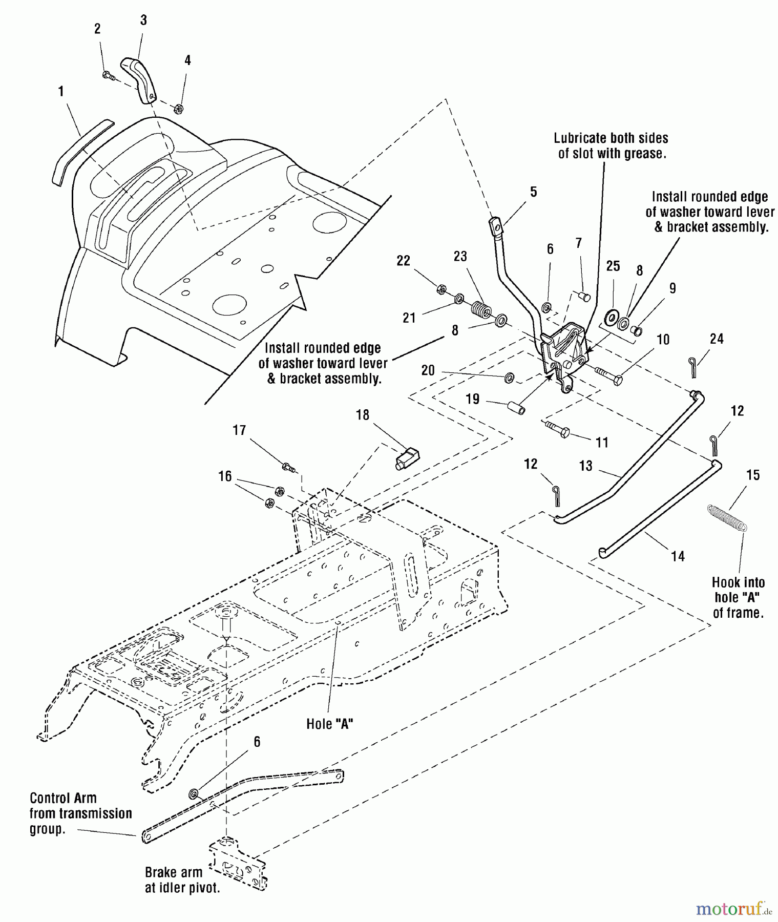
Hier finden Sie die Ersatzteilzeichnung für Snapper Rasen- und Gartentraktoren LT2246 (2691145-00) - Snapper 46" Lawn Tractor, 22 HP, Hydro Drive, RMO, LT9500 Series Controls Group - Cruise Control. Wählen Sie das benötigte Ersatzteil aus der Ersatzteilliste Ihres Snapper Gerätes aus und bestellen Sie einfach online. Viele Snapper Ersatzteile halten wir ständig in unserem Lager für Sie bereit.


Qualitätsmanagement
Informieren Sie uns, wenn Sie einen Fehler gefunden haben.

