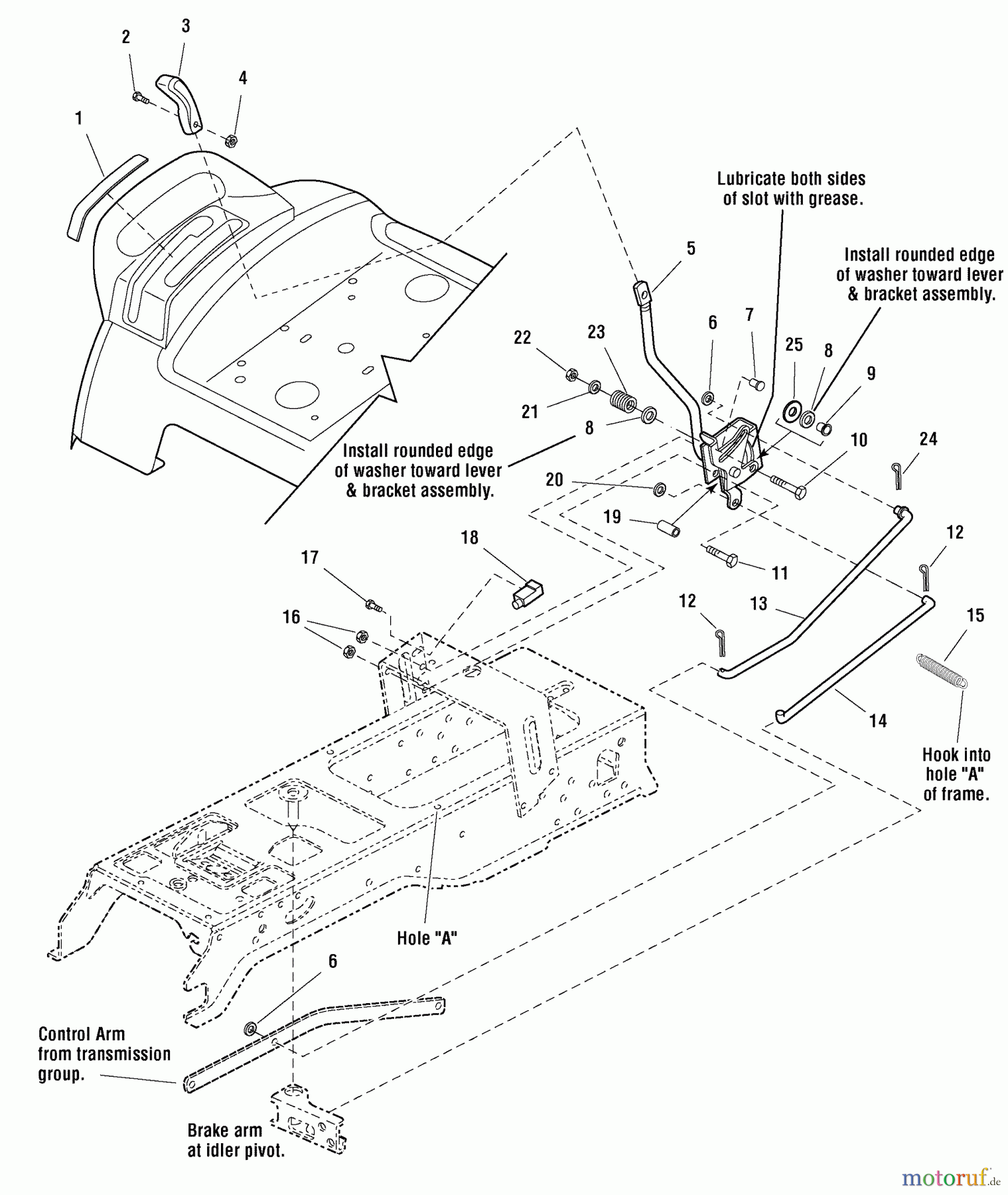
Snapper LT1644 (2690117) - 44" Lawn Tractor, 16 HP, Hydro Drive Cruise Control Group Ersatzteile
Cruise Control Group LT1644 (2690117) - Snapper 44" Lawn Tractor, 16 HP, Hydro Drive

Hier finden Sie die Ersatzteilzeichnung für Snapper Rasen- und Gartentraktoren LT1644 (2690117) - Snapper 44" Lawn Tractor, 16 HP, Hydro Drive Cruise Control Group. Wählen Sie das benötigte Ersatzteil aus der Ersatzteilliste Ihres Snapper Gerätes aus und bestellen Sie einfach online. Viele Snapper Ersatzteile halten wir ständig in unserem Lager für Sie bereit.





