Snapper LT16002 - 16 HP Lawn Tractor, Disc Drive, Series 2 Transmission Assembly Parts Ersatzteile
Transmission Assembly Parts LT16002 - Snapper 16 HP Lawn Tractor, Disc Drive, Series 2

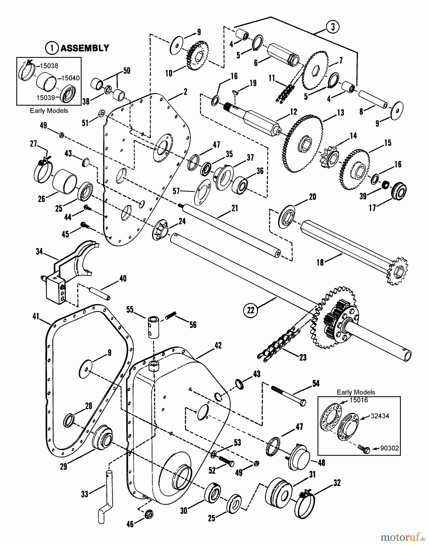
Hier finden Sie die Ersatzteilzeichnung für Snapper Rasen- und Gartentraktoren LT16002 - Snapper 16 HP Lawn Tractor, Disc Drive, Series 2 Transmission Assembly Parts. Wählen Sie das benötigte Ersatzteil aus der Ersatzteilliste Ihres Snapper Gerätes aus und bestellen Sie einfach online. Viele Snapper Ersatzteile halten wir ständig in unserem Lager für Sie bereit.



