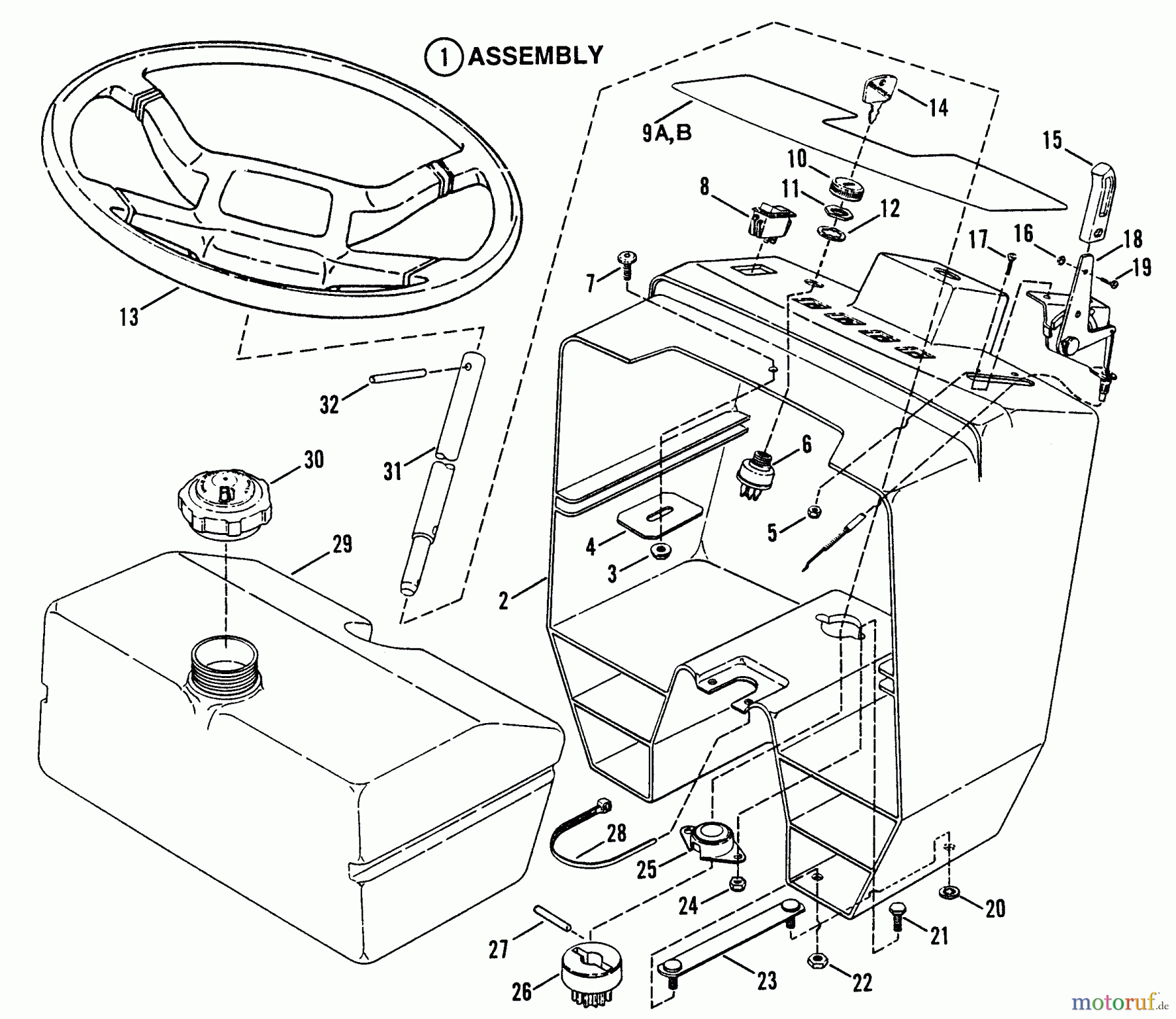
Snapper LT140H38ABV (80561) - 38" Lawn Tractor, 14 HP, Hydro Drive, Series A Steering Wheel, Console, Fuel Tank Ersatzteile
Steering Wheel, Console, Fuel Tank LT140H38ABV (80561) - Snapper 38" Lawn Tractor, 14 HP, Hydro Drive, Series A

Hier finden Sie die Ersatzteilzeichnung für Snapper Rasen- und Gartentraktoren LT140H38ABV (80561) - Snapper 38" Lawn Tractor, 14 HP, Hydro Drive, Series A Steering Wheel, Console, Fuel Tank. Wählen Sie das benötigte Ersatzteil aus der Ersatzteilliste Ihres Snapper Gerätes aus und bestellen Sie einfach online. Viele Snapper Ersatzteile halten wir ständig in unserem Lager für Sie bereit.


