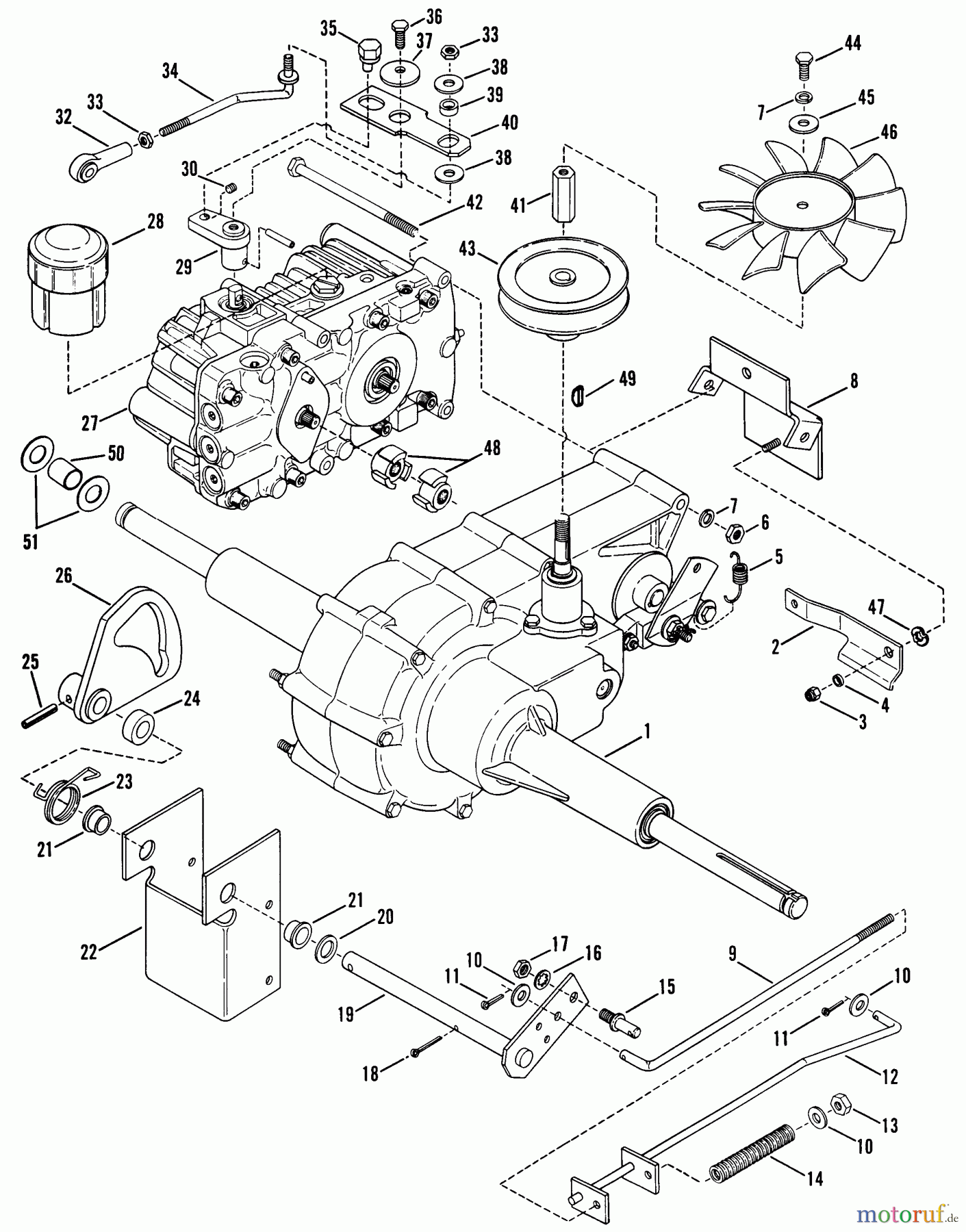
Snapper LT140H331KV (80236) - 33" Lawn Tractor, 14 HP, Hydro Drive, 1991 1/2 Series 1 Transmission Group Ersatzteile
Transmission Group LT140H331KV (80236) - Snapper 33" Lawn Tractor, 14 HP, Hydro Drive, 1991 1/2 Series 1

Hier finden Sie die Ersatzteilzeichnung für Snapper Rasen- und Gartentraktoren LT140H331KV (80236) - Snapper 33" Lawn Tractor, 14 HP, Hydro Drive, 1991 1/2 Series 1 Transmission Group. Wählen Sie das benötigte Ersatzteil aus der Ersatzteilliste Ihres Snapper Gerätes aus und bestellen Sie einfach online. Viele Snapper Ersatzteile halten wir ständig in unserem Lager für Sie bereit.



