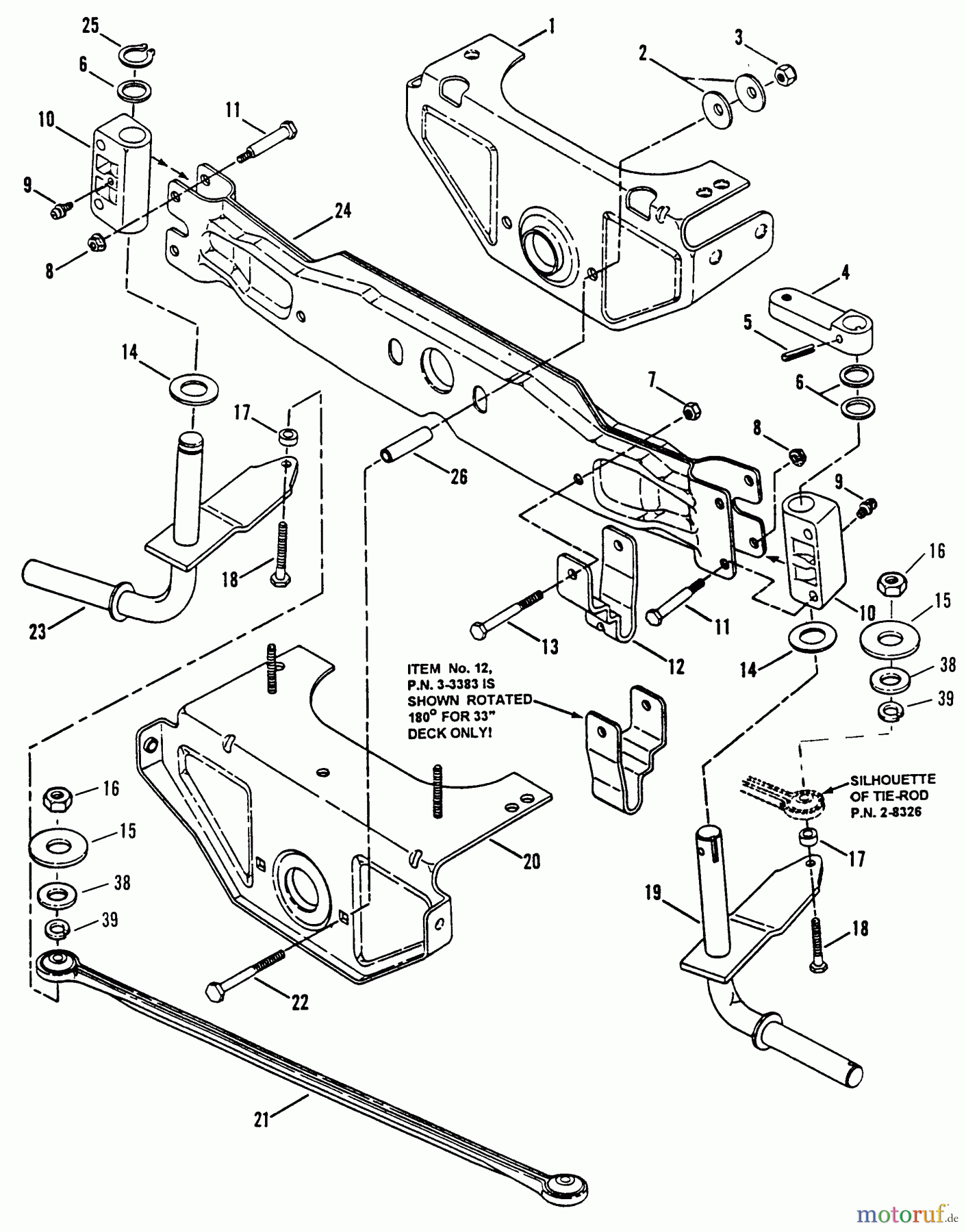
Snapper LT125G38DB - 38" Lawn Tractor, 12.5 HP, Gear Drive, Series D Front Axle & Front Wheel Parts - Axle Ersatzteile
Front Axle & Front Wheel Parts - Axle LT125G38DB - Snapper 38" Lawn Tractor, 12.5 HP, Gear Drive, Series D

Hier finden Sie die Ersatzteilzeichnung für Snapper Rasen- und Gartentraktoren LT125G38DB - Snapper 38" Lawn Tractor, 12.5 HP, Gear Drive, Series D Front Axle & Front Wheel Parts - Axle. Wählen Sie das benötigte Ersatzteil aus der Ersatzteilliste Ihres Snapper Gerätes aus und bestellen Sie einfach online. Viele Snapper Ersatzteile halten wir ständig in unserem Lager für Sie bereit.




