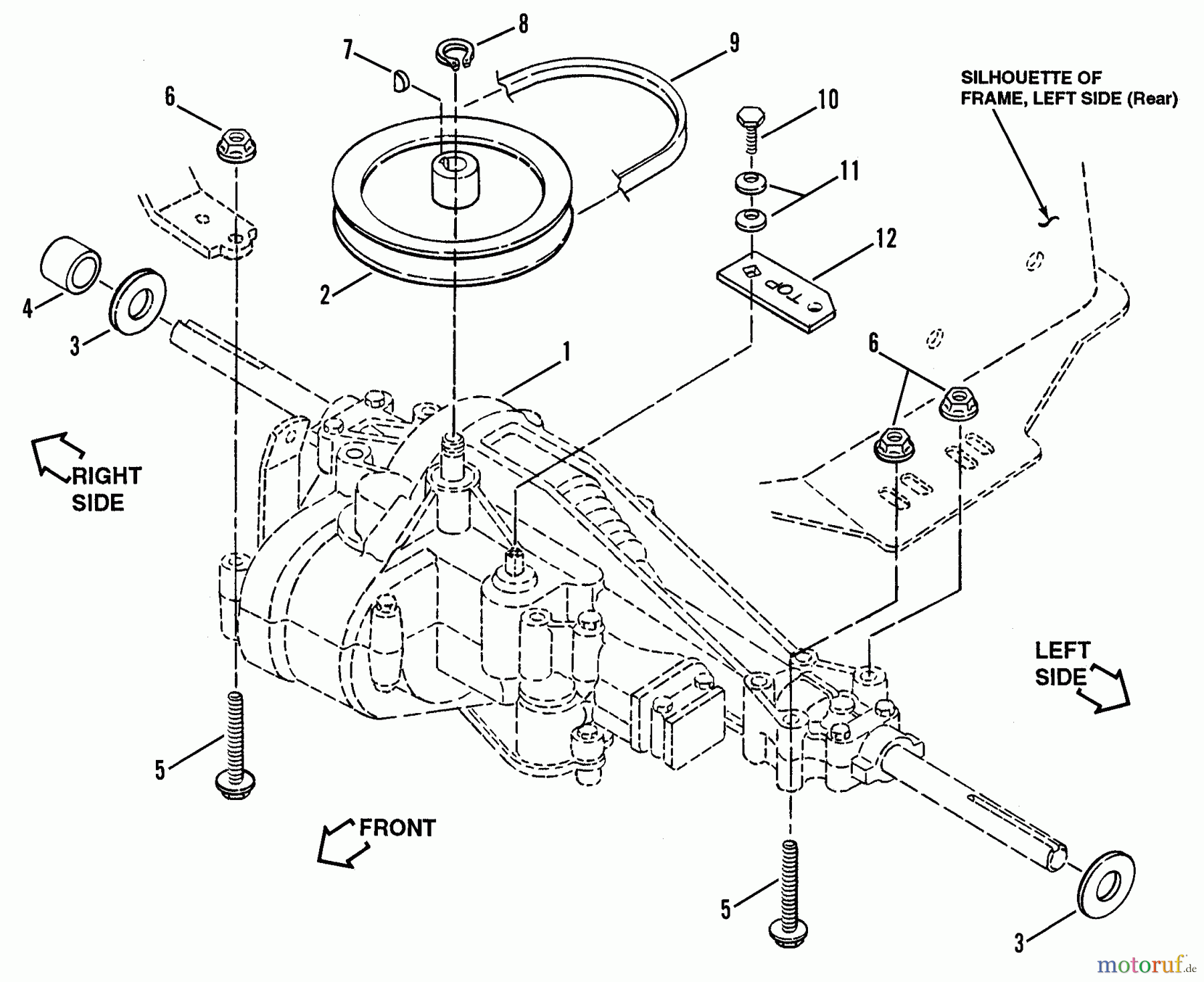
Snapper BH120G38AB (80479) - 38" Lawn Tractor, 12 HP, Gear Drive, Series A Transmission Group Ersatzteile
Transmission Group BH120G38AB (80479) - Snapper 38" Lawn Tractor, 12 HP, Gear Drive, Series A

Hier finden Sie die Ersatzteilzeichnung für Snapper Rasen- und Gartentraktoren BH120G38AB (80479) - Snapper 38" Lawn Tractor, 12 HP, Gear Drive, Series A Transmission Group. Wählen Sie das benötigte Ersatzteil aus der Ersatzteilliste Ihres Snapper Gerätes aus und bestellen Sie einfach online. Viele Snapper Ersatzteile halten wir ständig in unserem Lager für Sie bereit.




