Snapper ZF7301M - 73" Out Front Mower Deck, Series 0 73" OFZ Mower Deck Assembly Ersatzteile
73" OFZ Mower Deck Assembly ZF7301M - Snapper 73" Out Front Mower Deck, Series 0

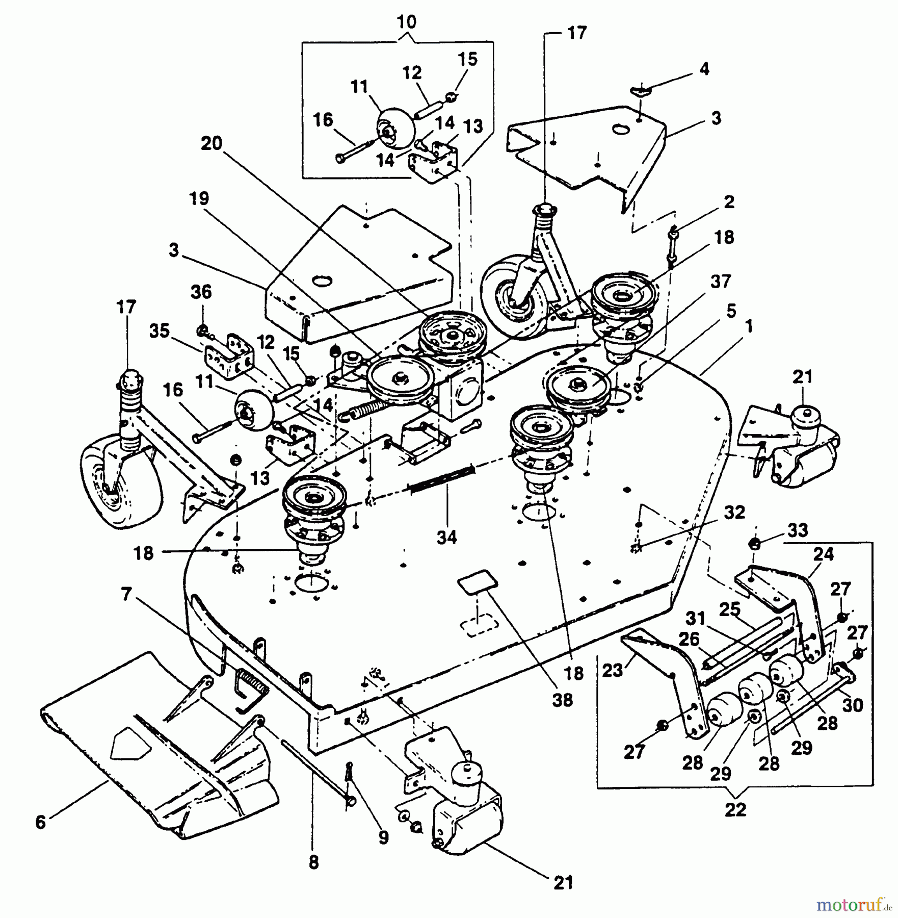
Hier finden Sie die Ersatzteilzeichnung für Snapper Mähdecks ZF7301M - Snapper 73" Out Front Mower Deck, Series 0 73" OFZ Mower Deck Assembly. Wählen Sie das benötigte Ersatzteil aus der Ersatzteilliste Ihres Snapper Gerätes aus und bestellen Sie einfach online. Viele Snapper Ersatzteile halten wir ständig in unserem Lager für Sie bereit.


Qualitätsmanagement
Informieren Sie uns, wenn Sie einen Fehler gefunden haben.

