Snapper PMH7361 - 36" Pro Deck Attachment For Hydro, Series 1 Blade Brake 36" Deck (Manual Blade) Ersatzteile
Blade Brake 36" Deck (Manual Blade) PMH7361 - Snapper 36" Pro Deck Attachment For Hydro, Series 1

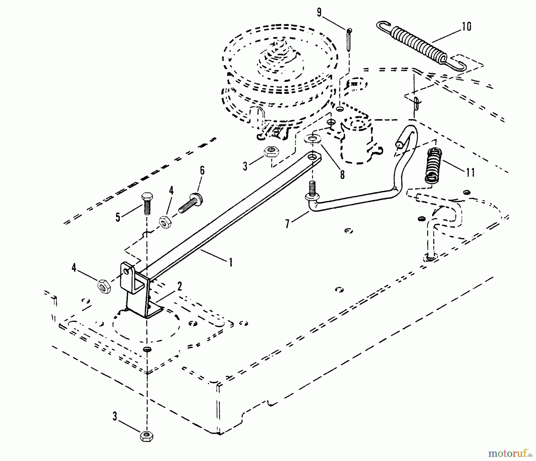
Hier finden Sie die Ersatzteilzeichnung für Snapper Mähdecks PMH7361 - Snapper 36" Pro Deck Attachment For Hydro, Series 1 Blade Brake 36" Deck (Manual Blade). Wählen Sie das benötigte Ersatzteil aus der Ersatzteilliste Ihres Snapper Gerätes aus und bestellen Sie einfach online. Viele Snapper Ersatzteile halten wir ständig in unserem Lager für Sie bereit.


Qualitätsmanagement
Informieren Sie uns, wenn Sie einen Fehler gefunden haben.

