Snapper FM7300 (84320) - 73" Commercial Lawn & Turf Series 0 Spring-Loaded Idler Group Ersatzteile
Spring-Loaded Idler Group FM7300 (84320) - Snapper 73" Commercial Lawn & Turf Series 0

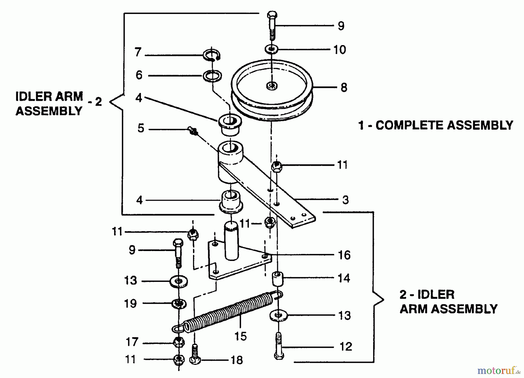
Hier finden Sie die Ersatzteilzeichnung für Snapper Mähdecks FM7300 (84320) - Snapper 73" Commercial Lawn & Turf Series 0 Spring-Loaded Idler Group. Wählen Sie das benötigte Ersatzteil aus der Ersatzteilliste Ihres Snapper Gerätes aus und bestellen Sie einfach online. Viele Snapper Ersatzteile halten wir ständig in unserem Lager für Sie bereit.



