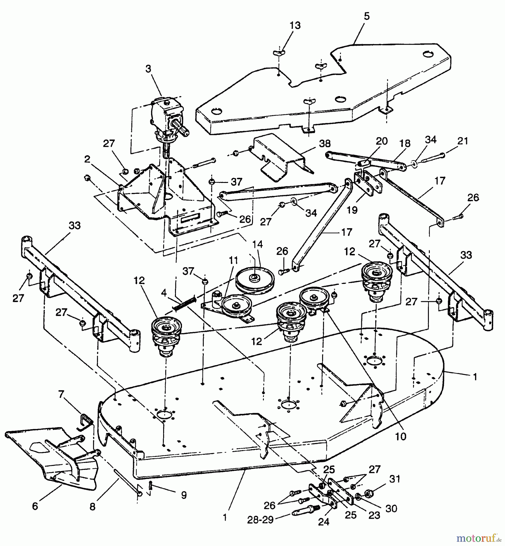
Snapper FM7300 (84320) - 73" Commercial Lawn & Turf Series 0 73" Finishing Deck Assembly Ersatzteile
73" Finishing Deck Assembly FM7300 (84320) - Snapper 73" Commercial Lawn & Turf Series 0

Hier finden Sie die Ersatzteilzeichnung für Snapper Mähdecks FM7300 (84320) - Snapper 73" Commercial Lawn & Turf Series 0 73" Finishing Deck Assembly. Wählen Sie das benötigte Ersatzteil aus der Ersatzteilliste Ihres Snapper Gerätes aus und bestellen Sie einfach online. Viele Snapper Ersatzteile halten wir ständig in unserem Lager für Sie bereit.


Qualitätsmanagement
Informieren Sie uns, wenn Sie einen Fehler gefunden haben.

