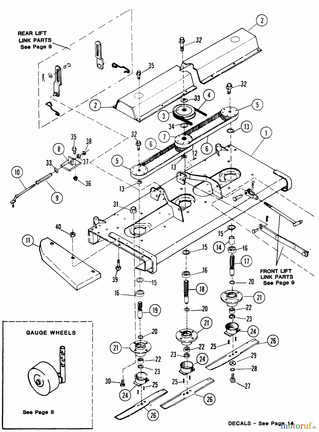
Snapper 7080199 - 42" Mower Attachment, MF Series Mower Deck Ersatzteile
Mower Deck 7080199 - Snapper 42" Mower Attachment, MF Series

Hier finden Sie die Ersatzteilzeichnung für Snapper Mähdecks 7080199 - Snapper 42" Mower Attachment, MF Series Mower Deck. Wählen Sie das benötigte Ersatzteil aus der Ersatzteilliste Ihres Snapper Gerätes aus und bestellen Sie einfach online. Viele Snapper Ersatzteile halten wir ständig in unserem Lager für Sie bereit.




