Snapper 1695141 - 50" Rotary Mower Deck 50" Mower Deck - Housing, Arbors & Blades Group Ersatzteile
50" Mower Deck - Housing, Arbors & Blades Group 1695141 - Snapper 50" Rotary Mower Deck

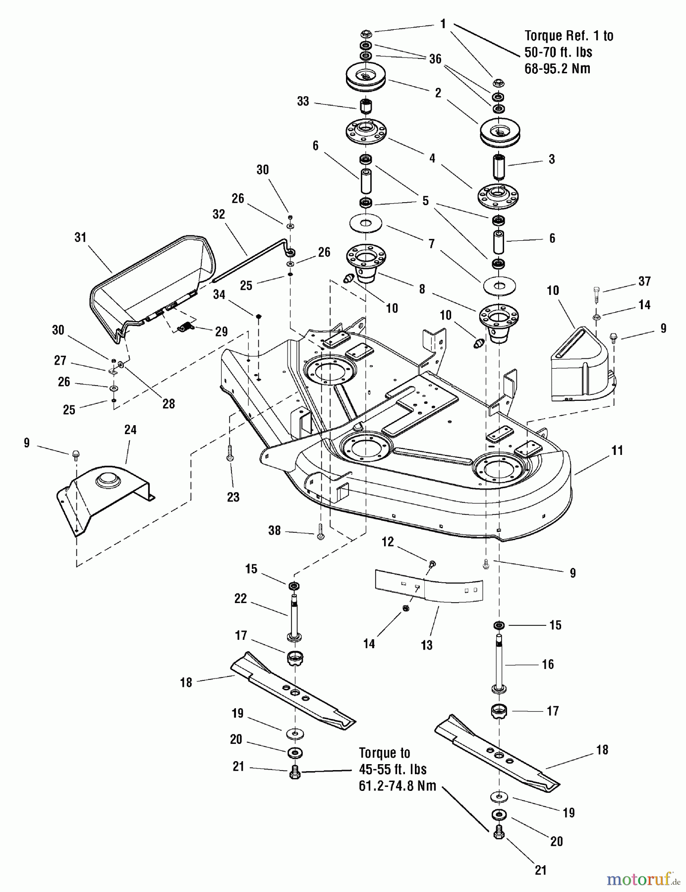
Hier finden Sie die Ersatzteilzeichnung für Snapper Mähdecks 1695141 - Snapper 50" Rotary Mower Deck 50" Mower Deck - Housing, Arbors & Blades Group. Wählen Sie das benötigte Ersatzteil aus der Ersatzteilliste Ihres Snapper Gerätes aus und bestellen Sie einfach online. Viele Snapper Ersatzteile halten wir ständig in unserem Lager für Sie bereit.








