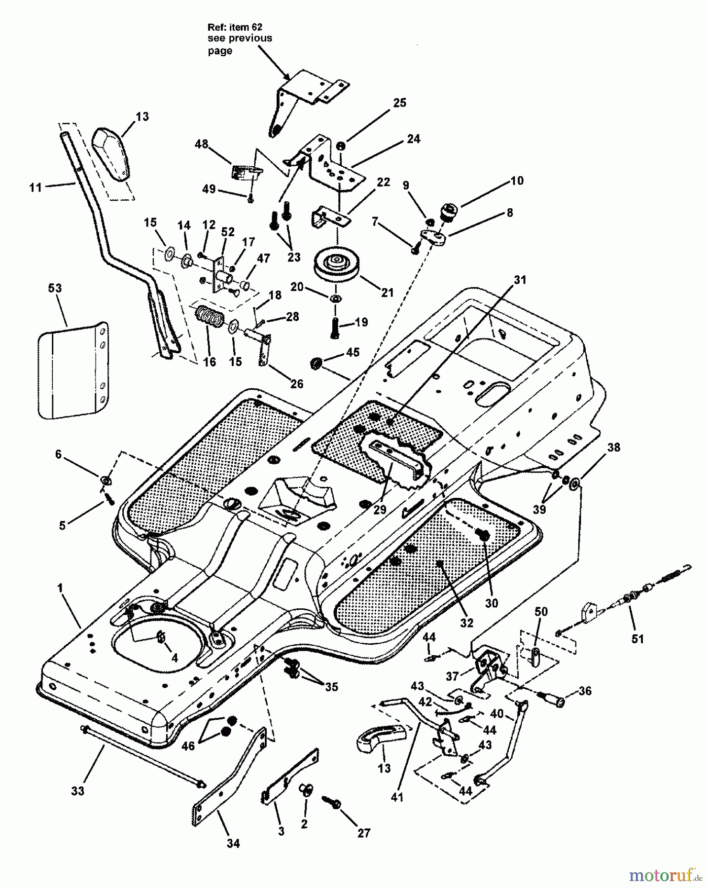
Snapper 7060947 - Bag N-Wagon, 30 Bushel LT150H38HKV 38" 15 HP Hydro Drive Tractor Series H BLADE ENGAGEMENT & TRANSMISSION CONTROLS Ersatzteile
BLADE ENGAGEMENT & TRANSMISSION CONTROLS LT150H38HKV 38" 15 HP Hydro Drive Tractor Series H

Hier finden Sie die Ersatzteilzeichnung für Snapper Zubehör. Rasenmäher 7060947 - Snapper Bag N-Wagon, 30 Bushel LT150H38HKV 38" 15 HP Hydro Drive Tractor Series H BLADE ENGAGEMENT & TRANSMISSION CONTROLS. Wählen Sie das benötigte Ersatzteil aus der Ersatzteilliste Ihres Snapper Gerätes aus und bestellen Sie einfach online. Viele Snapper Ersatzteile halten wir ständig in unserem Lager für Sie bereit.





