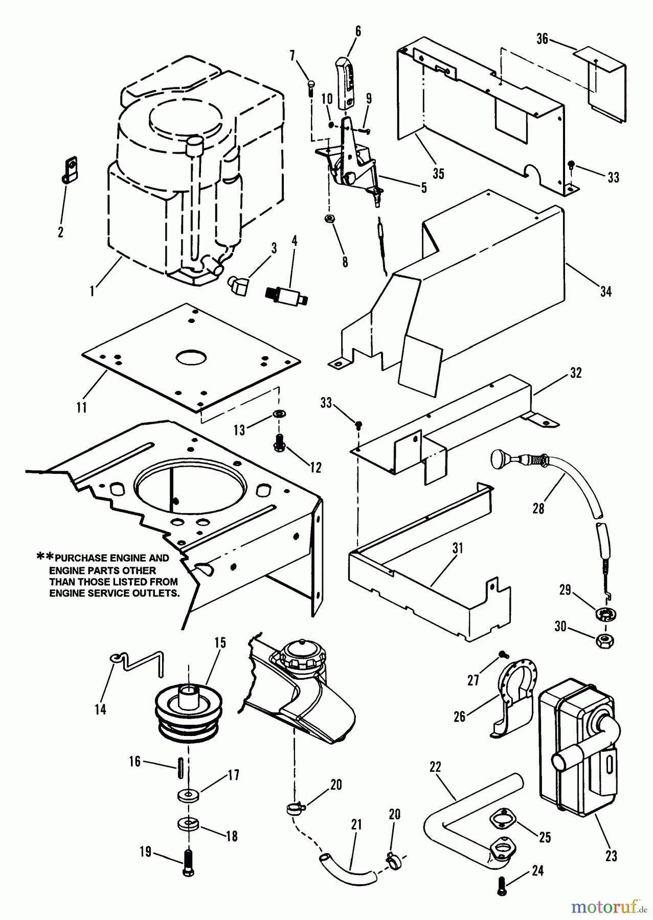
Snapper 7060947 - Bag N-Wagon, 30 Bushel HZS14330BVE 33" 14 HP ZTR Yard Cruiser Series 0 Engine Components Ersatzteile
Engine Components HZS14330BVE 33" 14 HP ZTR Yard Cruiser Series 0

Hier finden Sie die Ersatzteilzeichnung für Snapper Zubehör. Rasenmäher 7060947 - Snapper Bag N-Wagon, 30 Bushel HZS14330BVE 33" 14 HP ZTR Yard Cruiser Series 0 Engine Components. Wählen Sie das benötigte Ersatzteil aus der Ersatzteilliste Ihres Snapper Gerätes aus und bestellen Sie einfach online. Viele Snapper Ersatzteile halten wir ständig in unserem Lager für Sie bereit.



