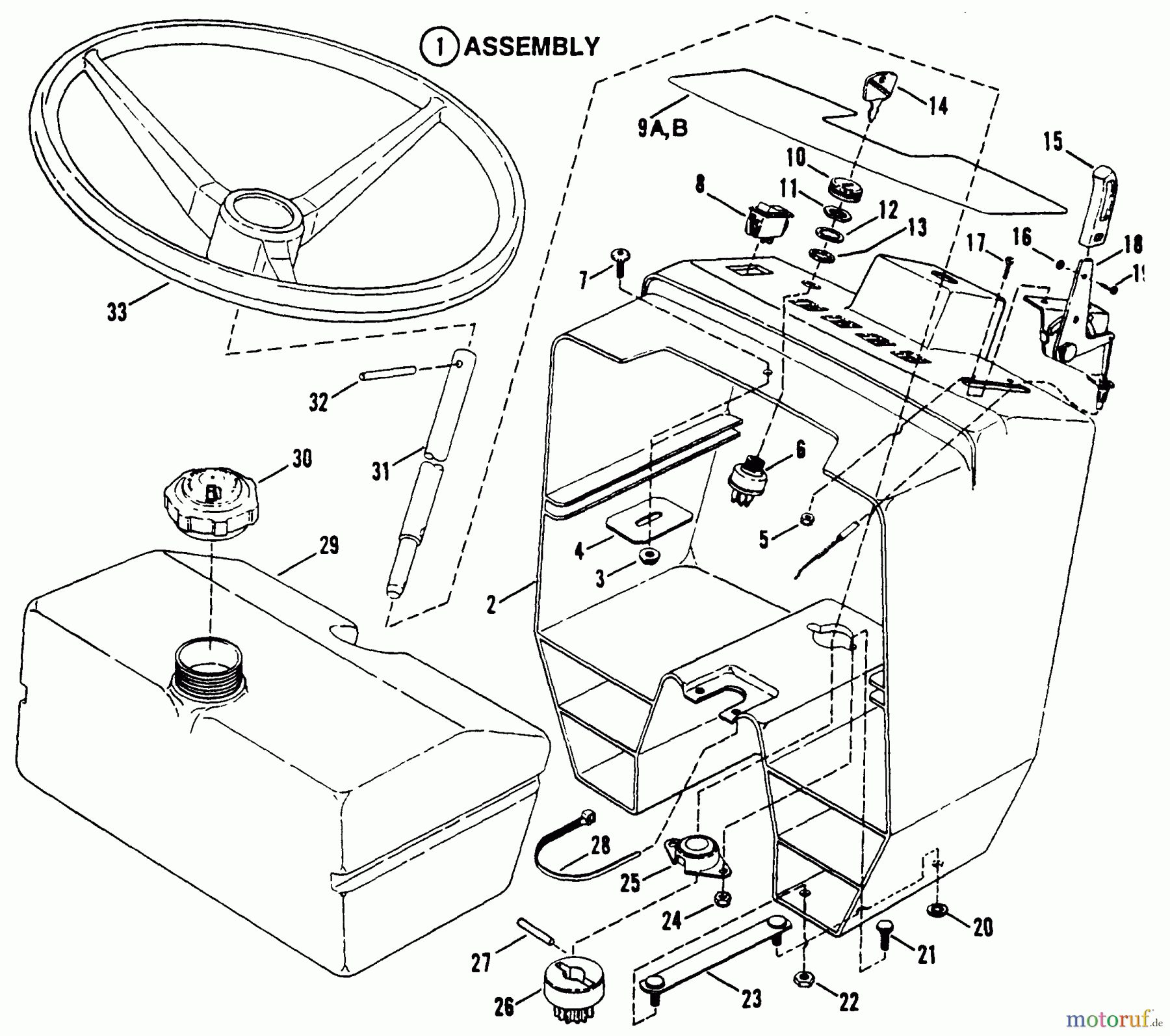
Snapper 7060947 - Bag N-Wagon, 30 Bushel ELT120G33AB (80476) 33" 12 HP Euro Tractor Series "A" Steering Wheel, Console, Fuel Tank Ersatzteile
Steering Wheel, Console, Fuel Tank ELT120G33AB (80476) 33" 12 HP Euro Tractor Series "A"

Hier finden Sie die Ersatzteilzeichnung für Snapper Zubehör. Rasenmäher 7060947 - Snapper Bag N-Wagon, 30 Bushel ELT120G33AB (80476) 33" 12 HP Euro Tractor Series "A" Steering Wheel, Console, Fuel Tank. Wählen Sie das benötigte Ersatzteil aus der Ersatzteilliste Ihres Snapper Gerätes aus und bestellen Sie einfach online. Viele Snapper Ersatzteile halten wir ständig in unserem Lager für Sie bereit.



