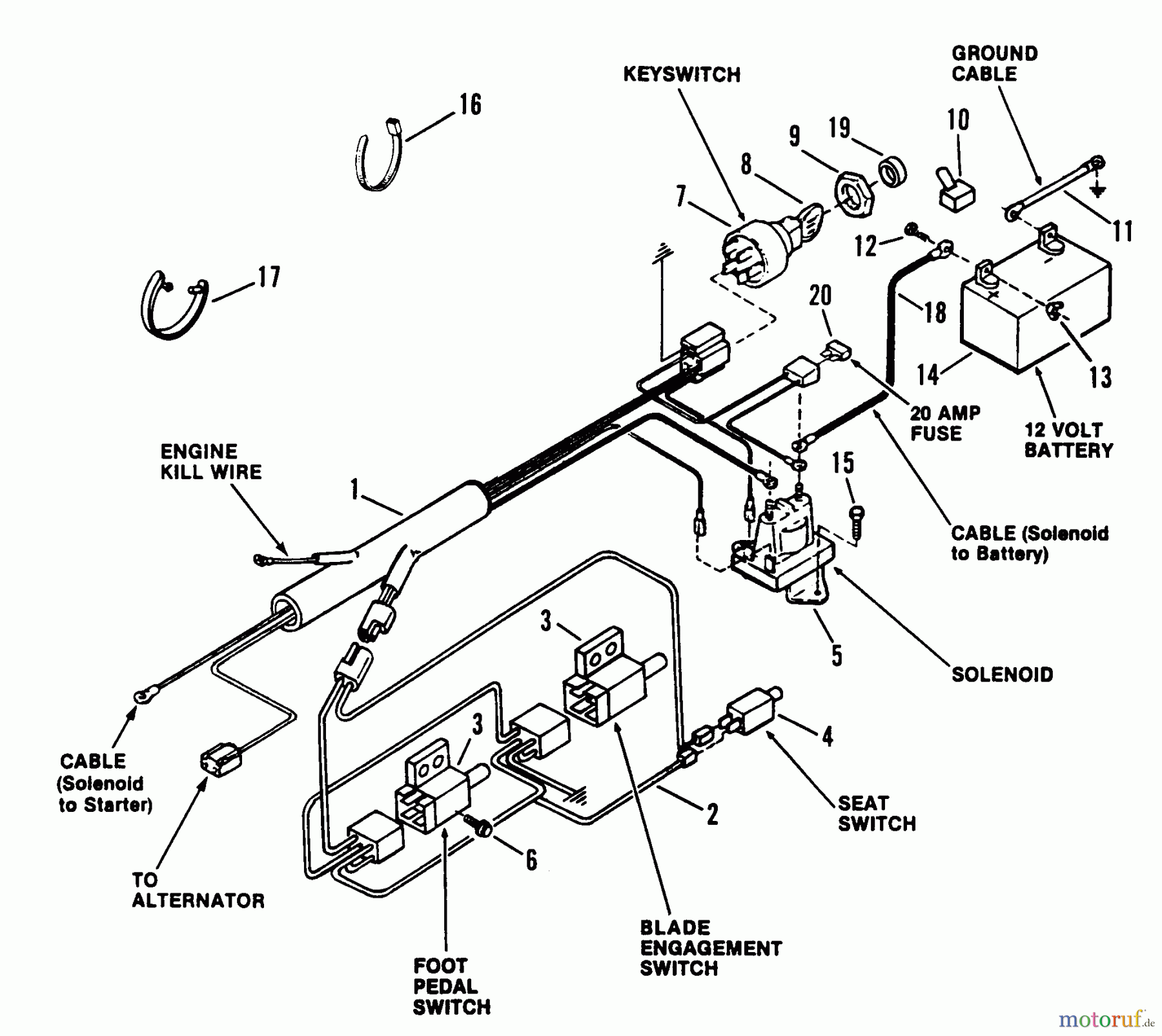
Snapper 7060947 - Bag N-Wagon, 30 Bushel ELT115D331B 33" 11.5 HP Disc Drive Tractor, Euro Series 1 Electrical System Ersatzteile
Electrical System ELT115D331B 33" 11.5 HP Disc Drive Tractor, Euro Series 1

Hier finden Sie die Ersatzteilzeichnung für Snapper Zubehör. Rasenmäher 7060947 - Snapper Bag N-Wagon, 30 Bushel ELT115D331B 33" 11.5 HP Disc Drive Tractor, Euro Series 1 Electrical System. Wählen Sie das benötigte Ersatzteil aus der Ersatzteilliste Ihres Snapper Gerätes aus und bestellen Sie einfach online. Viele Snapper Ersatzteile halten wir ständig in unserem Lager für Sie bereit.


Qualitätsmanagement
Informieren Sie uns, wenn Sie einen Fehler gefunden haben.

