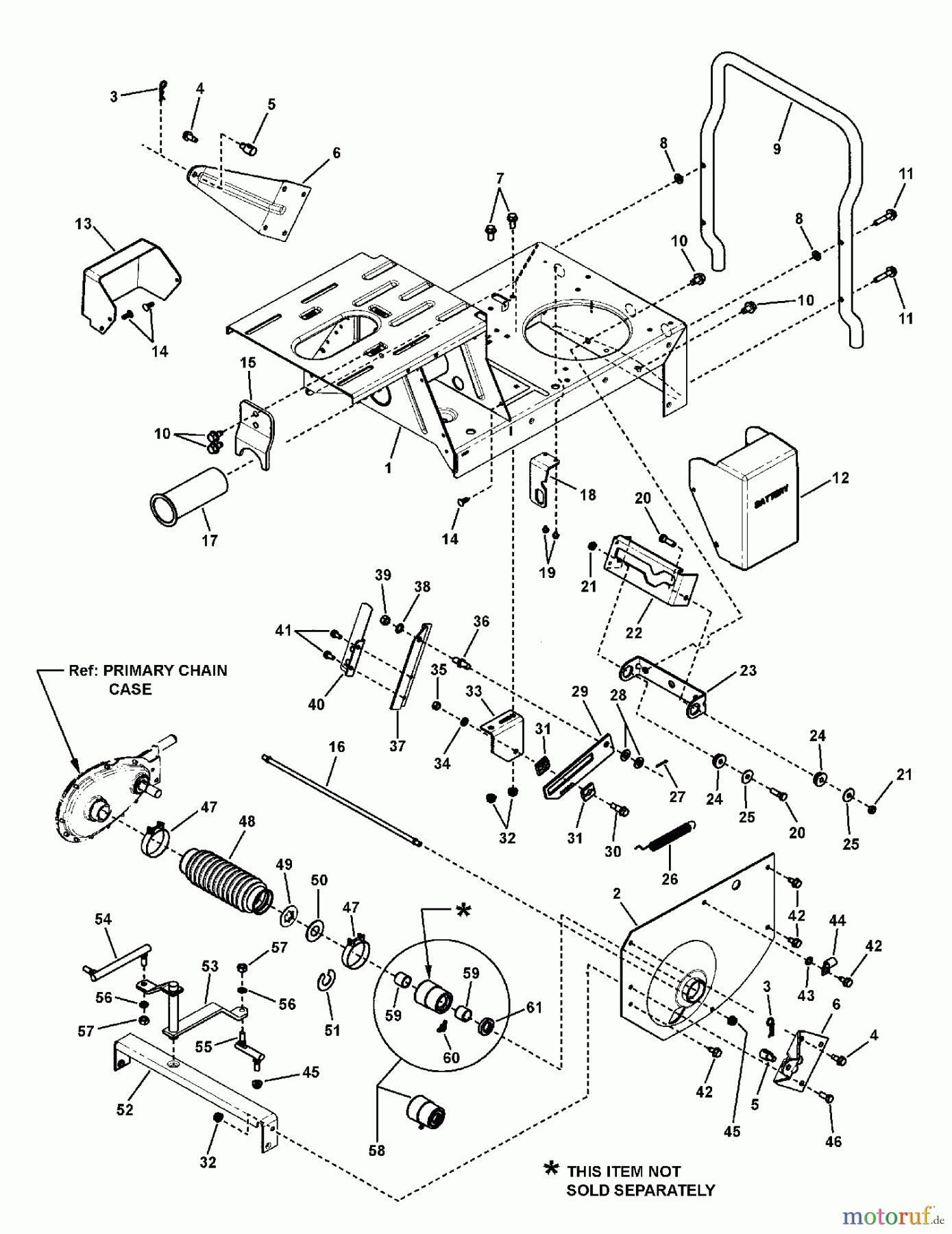
Snapper 7060947 - Bag N-Wagon, 30 Bushel E331523KVE (7800660) 33" 15 HP Rear Engine Rider Euro Series 23 Main Case, LH Fender & Yoke Lift Group Ersatzteile
Main Case, LH Fender & Yoke Lift Group E331523KVE (7800660) 33" 15 HP Rear Engine Rider Euro Series 23

Hier finden Sie die Ersatzteilzeichnung für Snapper Zubehör. Rasenmäher 7060947 - Snapper Bag N-Wagon, 30 Bushel E331523KVE (7800660) 33" 15 HP Rear Engine Rider Euro Series 23 Main Case, LH Fender & Yoke Lift Group. Wählen Sie das benötigte Ersatzteil aus der Ersatzteilliste Ihres Snapper Gerätes aus und bestellen Sie einfach online. Viele Snapper Ersatzteile halten wir ständig in unserem Lager für Sie bereit.




