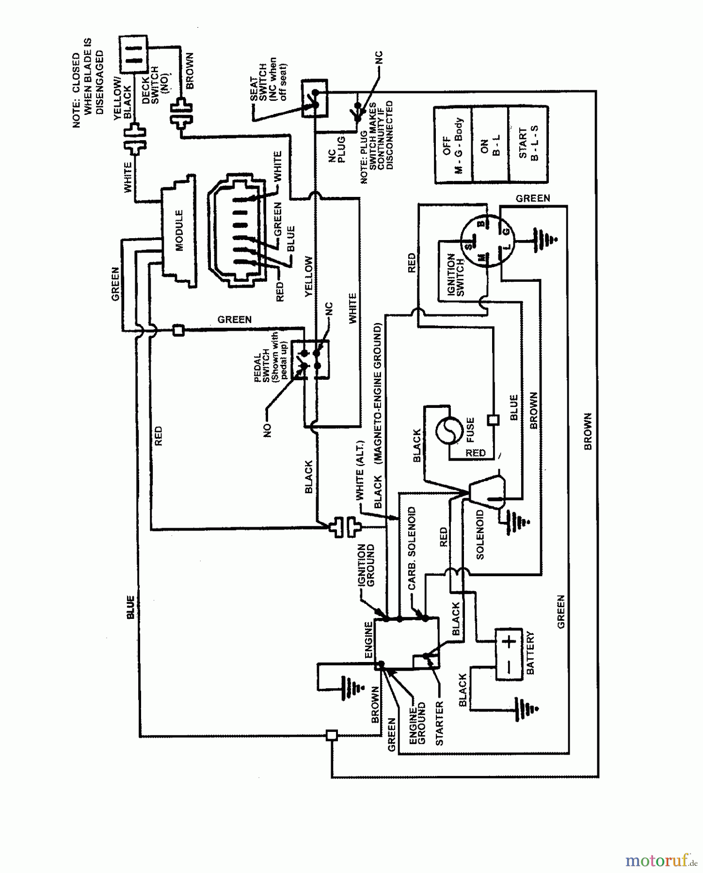
Snapper 7060947 - Bag N-Wagon, 30 Bushel E2813523BVE (7800501) 28" 13.5 HP Rear Engine Rider Euro Series 23 Wiring Schematic (for 13.5 & 14.5 HP Briggs) Ersatzteile
Wiring Schematic (for 13.5 & 14.5 HP Briggs) E2813523BVE (7800501) 28" 13.5 HP Rear Engine Rider Euro Series 23

Hier finden Sie die Ersatzteilzeichnung für Snapper Zubehör. Rasenmäher 7060947 - Snapper Bag N-Wagon, 30 Bushel E2813523BVE (7800501) 28" 13.5 HP Rear Engine Rider Euro Series 23 Wiring Schematic (for 13.5 & 14.5 HP Briggs). Wählen Sie das benötigte Ersatzteil aus der Ersatzteilliste Ihres Snapper Gerätes aus und bestellen Sie einfach online. Viele Snapper Ersatzteile halten wir ständig in unserem Lager für Sie bereit.



