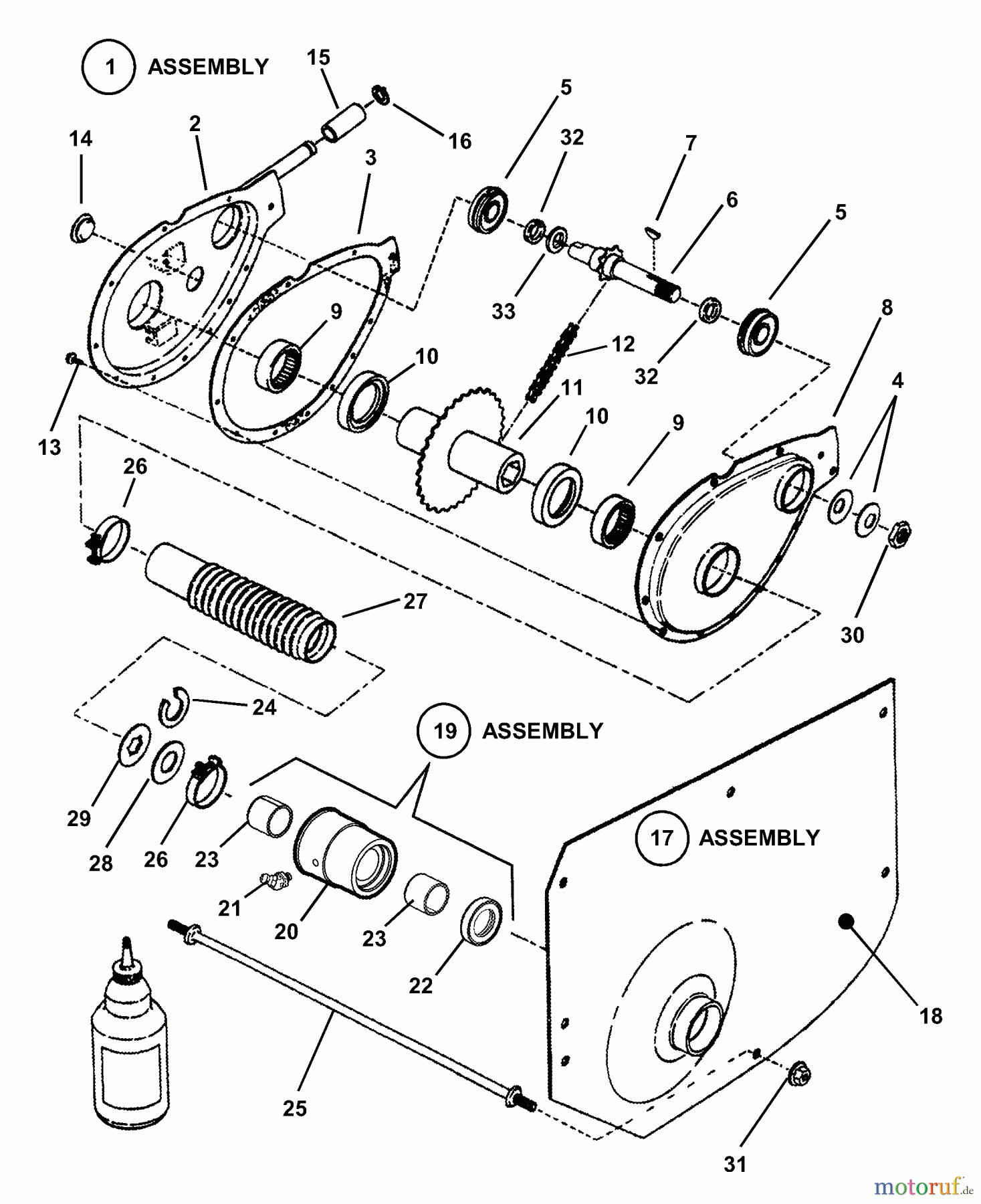
Snapper 7060947 - Bag N-Wagon, 30 Bushel 421622BVE (84707) 42" 16 HP Rear Engine Rider Series 22 Chain Case, L.H. Fender Ersatzteile
Chain Case, L.H. Fender 421622BVE (84707) 42" 16 HP Rear Engine Rider Series 22

Hier finden Sie die Ersatzteilzeichnung für Snapper Zubehör. Rasenmäher 7060947 - Snapper Bag N-Wagon, 30 Bushel 421622BVE (84707) 42" 16 HP Rear Engine Rider Series 22 Chain Case, L.H. Fender. Wählen Sie das benötigte Ersatzteil aus der Ersatzteilliste Ihres Snapper Gerätes aus und bestellen Sie einfach online. Viele Snapper Ersatzteile halten wir ständig in unserem Lager für Sie bereit.




