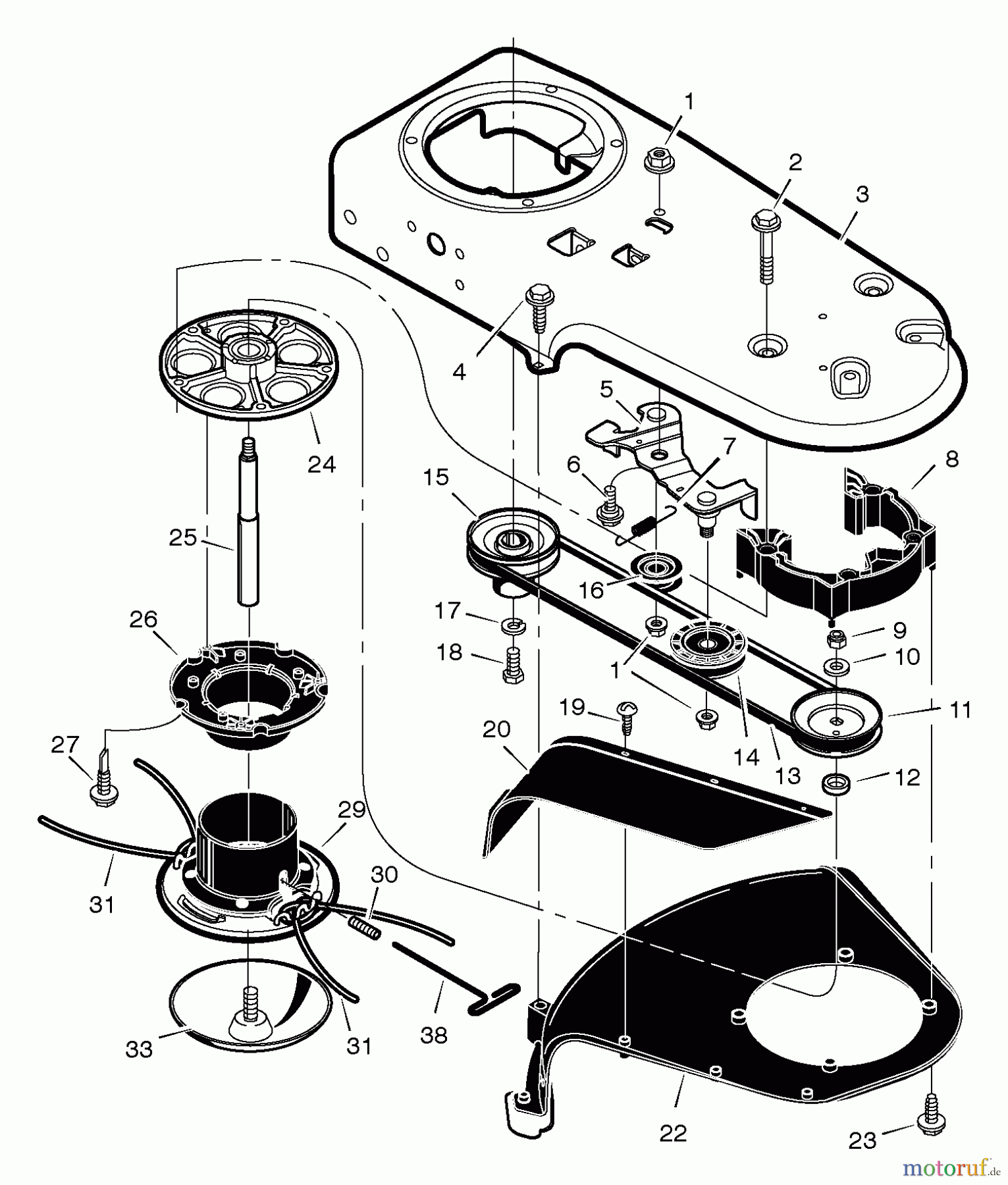
Murray TM6100x5A - Walk-Behind String Trimmer (2005) Cutting Head And Shield Ersatzteile
Cutting Head And Shield TM6100x5A - Murray Walk-Behind String Trimmer (2005)

Hier finden Sie die Ersatzteilzeichnung für Murray Trimmer zum Schieben TM6100x5A - Murray Walk-Behind String Trimmer (2005) Cutting Head And Shield. Wählen Sie das benötigte Ersatzteil aus der Ersatzteilliste Ihres Murray Gerätes aus und bestellen Sie einfach online. Viele Murray Ersatzteile halten wir ständig in unserem Lager für Sie bereit.


Qualitätsmanagement
Informieren Sie uns, wenn Sie einen Fehler gefunden haben.

