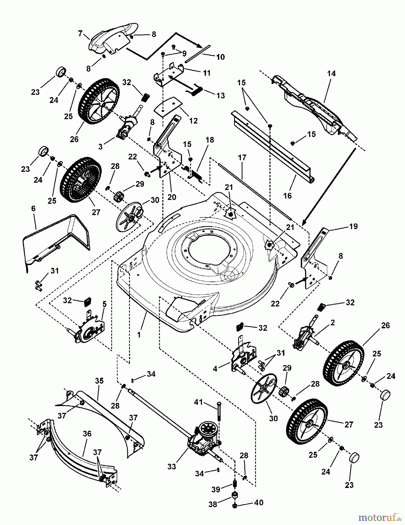
Murray EBTP2265 (7800693) - Brute 22" Walk-Behind Mower (2010) Deck Assembly (Standard Wheel) Ersatzteile
Deck Assembly (Standard Wheel) EBTP2265 (7800693) - Brute 22" Walk-Behind Mower (2010)

Hier finden Sie die Ersatzteilzeichnung für Murray Rasenmäher EBTP2265 (7800693) - Brute 22" Walk-Behind Mower (2010) Deck Assembly (Standard Wheel). Wählen Sie das benötigte Ersatzteil aus der Ersatzteilliste Ihres Murray Gerätes aus und bestellen Sie einfach online. Viele Murray Ersatzteile halten wir ständig in unserem Lager für Sie bereit.


Qualitätsmanagement
Informieren Sie uns, wenn Sie einen Fehler gefunden haben.


