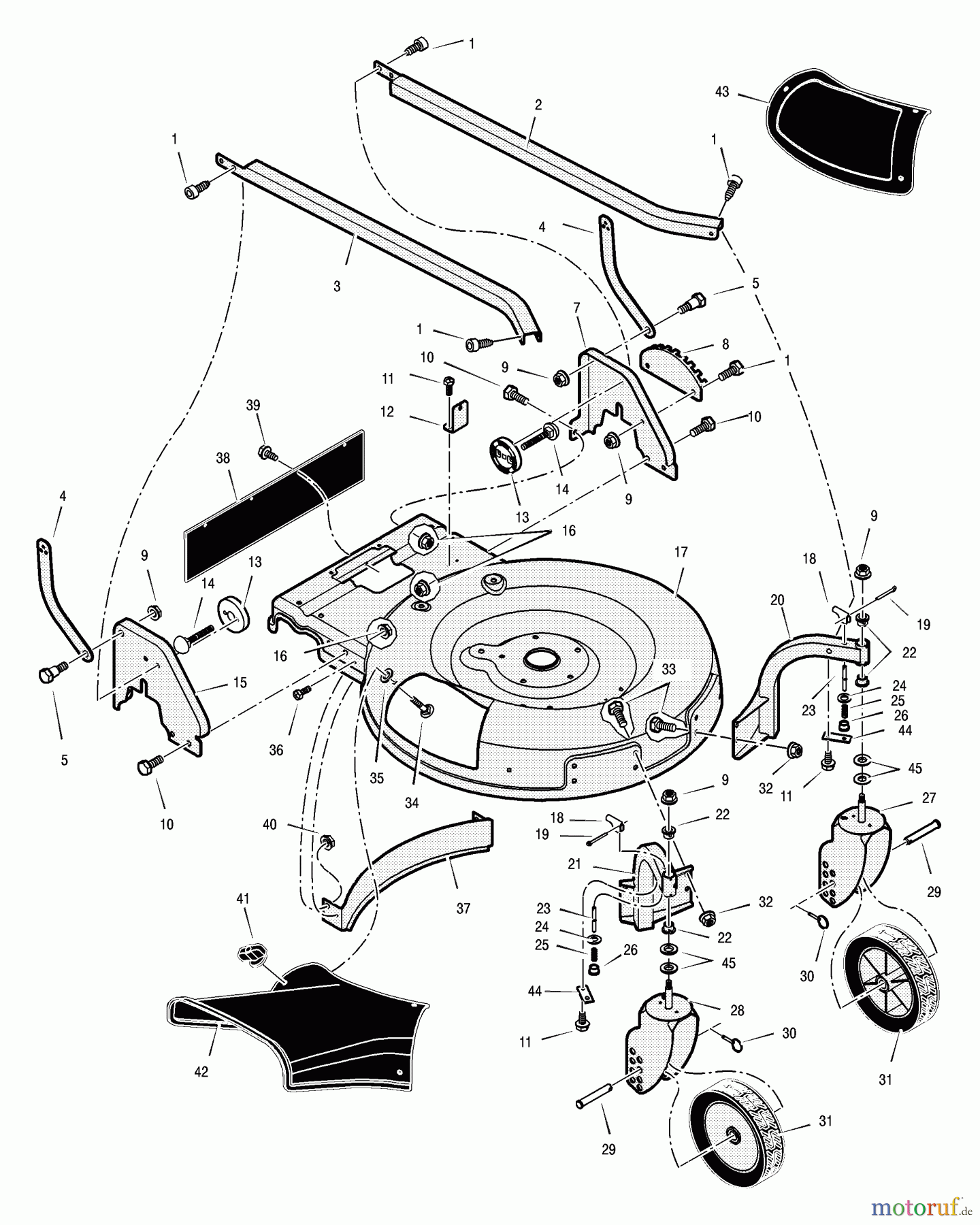
Murray 261031x692A - Stanley 26" Walk-Behind Mower (2001) Caster Assembly Ersatzteile
Caster Assembly 261031x692A - Stanley 26" Walk-Behind Mower (2001)

Hier finden Sie die Ersatzteilzeichnung für Murray Rasenmäher 261031x692A - Stanley 26" Walk-Behind Mower (2001) Caster Assembly. Wählen Sie das benötigte Ersatzteil aus der Ersatzteilliste Ihres Murray Gerätes aus und bestellen Sie einfach online. Viele Murray Ersatzteile halten wir ständig in unserem Lager für Sie bereit.


Qualitätsmanagement
Informieren Sie uns, wenn Sie einen Fehler gefunden haben.

