Murray 30546x4A - 30" Rear Engine Rider (1997) Body Chassis Ersatzteile
Body Chassis 30546x4A - Murray 30" Rear Engine Rider (1997)

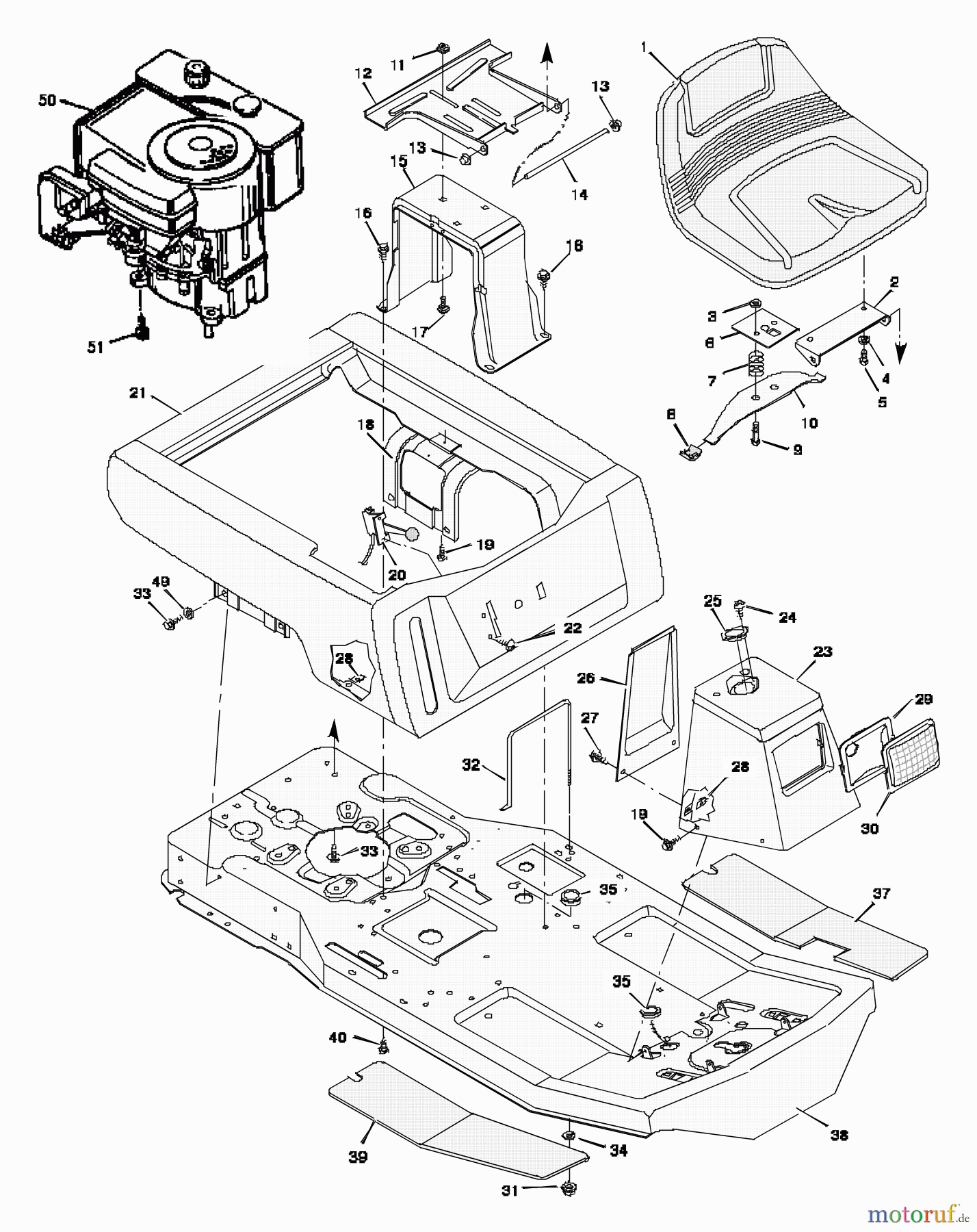
Hier finden Sie die Ersatzteilzeichnung für Murray Reitermäher 30546x4A - Murray 30" Rear Engine Rider (1997) Body Chassis. Wählen Sie das benötigte Ersatzteil aus der Ersatzteilliste Ihres Murray Gerätes aus und bestellen Sie einfach online. Viele Murray Ersatzteile halten wir ständig in unserem Lager für Sie bereit.


Qualitätsmanagement
Informieren Sie uns, wenn Sie einen Fehler gefunden haben.


