Einstellungen Computer

Murray G4315010 - 43" Lawn Tractor (1997) Schematic Drawing Ersatzteile

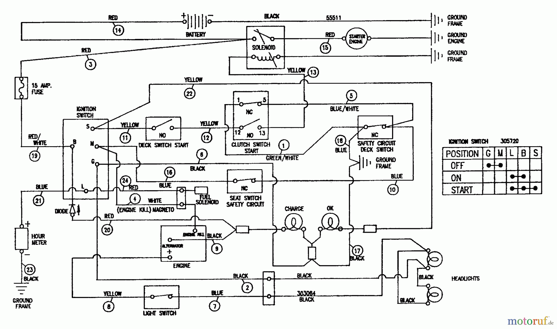
Schematic Drawing G4315010 - Murray 43" Lawn Tractor (1997)

 Murray Rasen- und Gartentraktoren G4315010 - Murray 43

Hier finden Sie die Ersatzteilzeichnung für Murray Rasen- und Gartentraktoren G4315010 - Murray 43" Lawn Tractor (1997) Schematic Drawing. Wählen Sie das benötigte Ersatzteil aus der Ersatzteilliste Ihres Murray Gerätes aus und bestellen Sie einfach online. Viele Murray Ersatzteile halten wir ständig in unserem Lager für Sie bereit.

Rasen
Bankeinzug, MasterCard, Visa, American Express, PayPal, Nachnahme, Vorauskasse, Sofortüberweisung
Datenschutzerklärung Impressum
Qualitätsmanagement
Informieren Sie uns, wenn Sie einen Fehler gefunden haben.