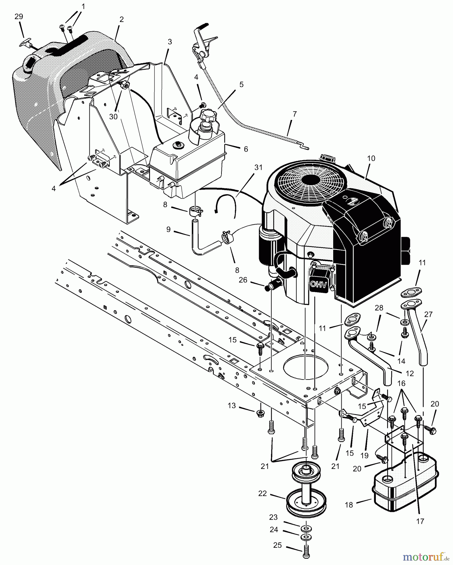
Murray 525607x692B - Stanley 52" Lawn Tractor (2002) Engine Mount Ersatzteile
Engine Mount 525607x692B - Stanley 52" Lawn Tractor (2002)

Hier finden Sie die Ersatzteilzeichnung für Murray Rasen- und Gartentraktoren 525607x692B - Stanley 52" Lawn Tractor (2002) Engine Mount. Wählen Sie das benötigte Ersatzteil aus der Ersatzteilliste Ihres Murray Gerätes aus und bestellen Sie einfach online. Viele Murray Ersatzteile halten wir ständig in unserem Lager für Sie bereit.


Qualitätsmanagement
Informieren Sie uns, wenn Sie einen Fehler gefunden haben.


