Murray 42L18G60X8A (96042005604) - 42" Lawn Tractor, 18.5 HP (2010) Engine Group (42L18G60X8Aengine) Ersatzteile
Engine Group (42L18G60X8Aengine) 42L18G60X8A (96042005604) - Murray 42" Lawn Tractor, 18.5 HP (2010)

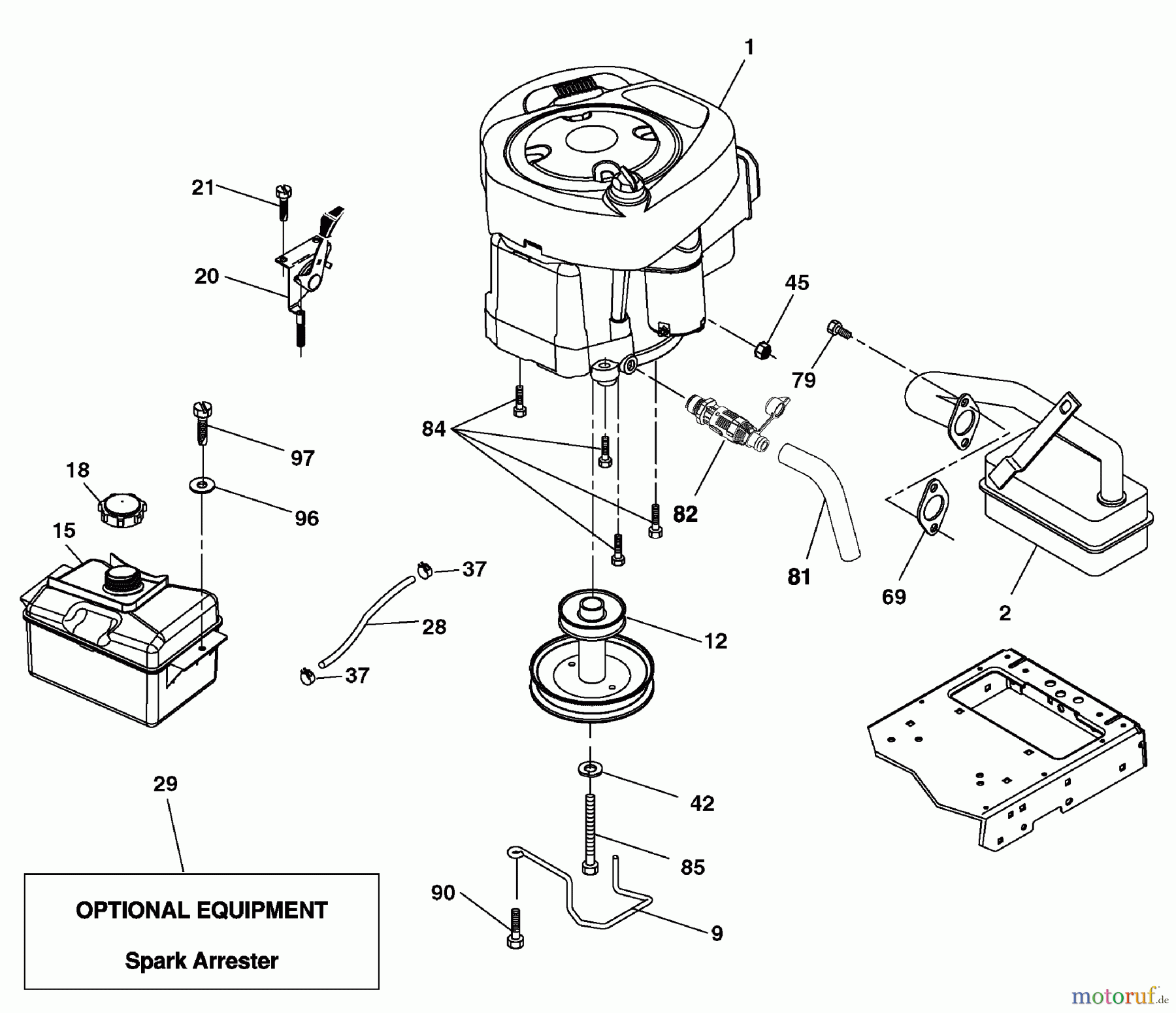
Hier finden Sie die Ersatzteilzeichnung für Murray Rasen- und Gartentraktoren 42L18G60X8A (96042005604) - Murray 42" Lawn Tractor, 18.5 HP (2010) Engine Group (42L18G60X8Aengine). Wählen Sie das benötigte Ersatzteil aus der Ersatzteilliste Ihres Murray Gerätes aus und bestellen Sie einfach online. Viele Murray Ersatzteile halten wir ständig in unserem Lager für Sie bereit.
| BildNr | Artikel Nummer | Bezeichnung | |
| 1 | BS | Eingangswelle UE 600 | |
| 2 | BS137352 | ||
| 9 | BS194319 | ||
| 12 | BS401985 | ||
| 15 | BS407545 | ||
| 18 | BS430220 | ||
| 20 | BS176636X505 | ||
| 21 | BS416358 | ||
| 28 | BS401137 | ||
| 29 | BS137180 | ||
| 37 | BS123487X | ||
| 42 | BS10040700 | ||
| 45 | BS73510400 | ||
| 69 | BS165291 | ||
| 79 | BS192334 | ||
| 81 | BS148456 | ||
| 82 | BS428287 | ||
| 84 | BS17060620 | ||
| 85 | BS173937 | ||
| 90 | BS17000616 | ||
| 96 | BS19091416 | ||
| 97 | BS17670412 | ||


Qualitätsmanagement
Informieren Sie uns, wenn Sie einen Fehler gefunden haben.

